Для Arduino: Платы, узлы, модули, шилды, наборы, конструкторы и книги ► Датчики для ARDUINO : температуры, влажности, газов, расстояния
Образовательные наборы и радиоконструкторы ► Radio-KIT : Датчики, детекторы, сенсоры
Образовательные наборы и радиоконструкторы ► Radio-KIT : Датчики, детекторы, сенсоры
Модуль RI013. GY-68. Датчик давления/барометр BMP180
Код товара: CTTL10160Бренд: DIY
Есть в наличии| 110 c 290 c |
| 110 c 290 c |
|
|
Обратите внимание на близкий |
|||||
|
Цифровой датчик атмосферного давления BMP085, 30-110кПа, 14бит, интерфейс I2C |
|
|
Модуль RI0146. GY-BMP280. Датчик атмосферного давления |
Особенности:
Шум в режиме ультранизкого потребления 50 см;
Шум в режиме пoвышенного разрешения: 17 см;
Полностью откалиброван;
Внутренняя температурная компенсация измерений.
Характеристики:
Напряжение питания: DC 1,8...3,6 В;
Интерфейс: I2C;
Максимальная скорость I2C соединения: 3,5 МГц;
Уровень шума: До 0,02 hPa;
Диапазон измерений: 300...1 100 hPa (-500...+9 000 метров);
Упаковка: OEM;
Размеры устройства: 15 x 13 x 11 мм;
Масса: ~1,18 г.
Комплект поставки:
Модуль датчика;
Разъём-гребёнка 5х.
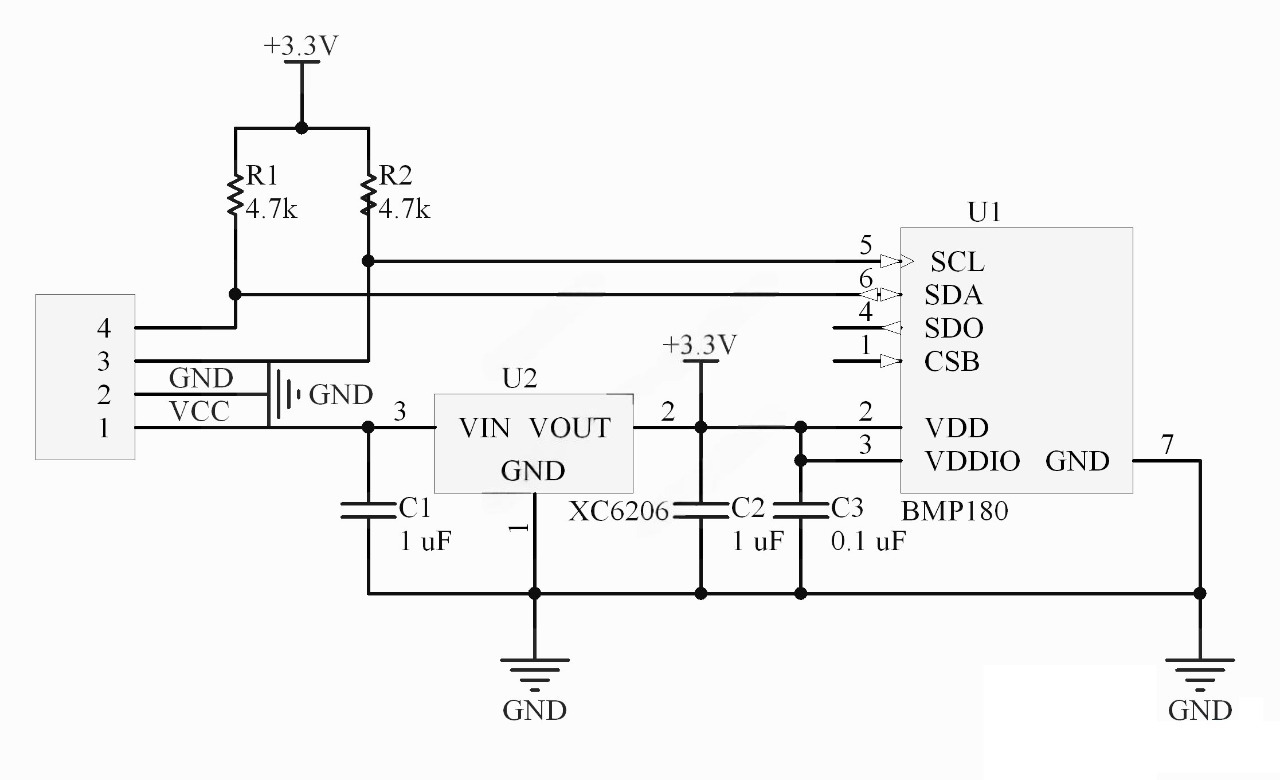
Принципиальная электрическая схема модуля RI013. Датчика давления/барометра BMP180. GY-68
Datasheet модулья RI013. GY-68. Датчика давления/барометра BMP180 (англ. PDF-файл 656 кБ)
------------------
СЕЕД10160:110
|
|
|
Паяльник YIHUA 947-III Белый |
|
|
Вы можете купить Модуль RI013. GY-68. Датчик давления/барометр BMP180 как за наличный расчёт, так и по безналичному расчёту ( т.н. безналу, перечислению).
Для этого Вам надо либо оформить заказ на нашем сайте, указав в примечании реквизиты, либо прислать письмо
с точным указанием кода CTTL10160 на Модуль RI013. GY-68. Датчик давления/барометр BMP180, желаемого количества и реквизитов Вашей организации.
Счета по безналичному расчёту выписываются на основании вашего письменного запроса и от суммы 500 рублей.
Доставка может производиться различными по Вашему выбору способами. Это и самовывоз, и курьерские службы по г. Москве, и транспортные компании по России. Также мы можем выслать этот товар Почтой России. Если размеры, вес товара Модуль RI013. GY-68. Датчик давления/барометр BMP180 или соображения удароустойчивости находятся в разрешённых Почтой России пределах.
Доставка может производиться различными по Вашему выбору способами. Это и самовывоз, и курьерские службы по г. Москве, и транспортные компании по России. Также мы можем выслать этот товар Почтой России. Если размеры, вес товара Модуль RI013. GY-68. Датчик давления/барометр BMP180 или соображения удароустойчивости находятся в разрешённых Почтой России пределах.





