Образовательные наборы и радиоконструкторы ► Приёмники, передатчики радиочастотные, ИК, ультразвуковые
Радиоконструктор RF036. GSM GPRS модуль M590E
Код товара: CTTL12774Бренд: DIY
Есть в наличии| 290 c |
| 290 c |
|
|
|
|
Модуль GSM/GPRS Neoway M590E — бюджетное решение для создания приложений удалённого управления домашней или промышленной автоматикой и электроникой. Модуль мобильной сотовой связи Neoway M590E соответствует спецификации GSM 2/2+, позволяет отправлять или принимать адресные SMS-сообщения. Поддерживает пакетную радиосвязь общего назначения GPRS, совместим с протоколом TCP/IP. Оборудован каналом последовательной шины UART-TTL, управление основано на простых текстовых AT-командах. Обладает индикаторами состояния сети и уведомления о входящем вызове. Голосовую связь модем Neoway M590E v1.3 не осуществляет. Вместе с чипом GSM/GPRS поставляется минимальный набор "обвязочных" компонентов, обеспечивающих его работу. Сборка конструктора требует припайку всех радиодеталей к плате.
Технические характеристики
Назначение контактов GSM/GPRS модуля Neoway M590E v1.3
| Обозначение | Назначение | Описание |
| GND | Питание | Общий, заземление |
| RING | Выход | Индикатор входящего вызова/сообщения. Активный низкоуровневый сигнал. |
| TXD | Выход | Линия передачи данных последовательной шины UART. Макс. +3.3В |
| RXD | Вход | Линия приёма данных последовательной шины UART. Макс. +3.3В |
| 5V | Питание | Напряжение питания модуля +5В постоянного тока DC |
| GND | Питание | Общий, заземление |
| BOOT | Вход | Запуск/отключение M590E. Активный низкоуровневый сигнал, продолжительность не менее 300мс |
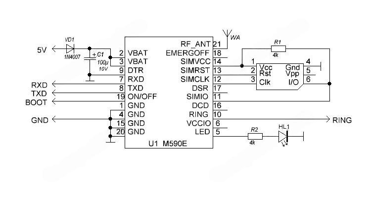
Электрическая принципиальная схема модуля GSM/GPRS M590E
Комплектация набора
Образец собранного устройства
Документация
------------------
СЕЕД12774:290
|
|
Доставка может производиться различными по Вашему выбору способами. Это и самовывоз, и курьерские службы по г. Москве, и транспортные компании по России. Также мы можем выслать этот товар Почтой России. Если размеры, вес товара Радиоконструктор RF036. GSM GPRS модуль M590E или соображения удароустойчивости находятся в разрешённых Почтой России пределах.







