Преобразователь постоянного напряжения DC-DC на LM2596 понижающий, выбор напряжения - регулятором , Вх CTTL10343
Код товара: CTTL10343
Есть в наличии| 70 c 93 c |
| 70 c 93 c |
|
|
|
|
Характеристики
Применение преобразователей напряжения
Схемы преобразования напряжения существуют во множестве электронных устройств. Они способствуют уверенному функционированию электрических схем устройств от привычных источников питания, таких как бытовые или промышленные сети постоянного или переменного напряжения, или автономные батареи и аккумуляторы любых типов и размеров. Каждая отдельно взятая схема полностью законченного, готового к эксплуатации прибора, или проектируемого устройства, находящегося на этапах разработки, требует для себя определённого уровня напряжения. И этот необходимый уровень может порой сильно отличаться от многочисленных стандартов напряжения, предлагаемых унифицированными источниками электроэнергии.
Среди большого разнообразия, преобразователи напряжения широко распространены под видом самостоятельных модулей, со свойственными для каждой выбранной модели рабочими характеристиками. Наравне с интегрированными схемами, внешние модули предназначены для задач преобразования переменного или постоянного напряжения до нужного схеме устройства уровня, осуществляя его повышение или понижение. Модули преобразователей называются регулируемыми, потому что в их схемах реализованы возможности принудительного изменения уровня напряжения на выходе, в том числе и способом ручной механической подстройки. Наиболее частое применение подобные модули находят в области конструирования или замещения цепей питания приборов, используются в автоматике, микроэлектронике, робототехнике, а также в других направлениях.
Особенности конструкции
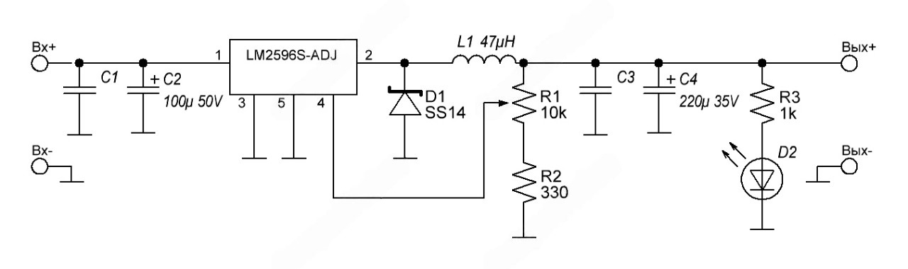
В основе схемы модуля заложен однокристальный широтно-импульсный преобразователь постоянного напряжения LM2596S, зарекомендовавший себя недорогим и одновременно надёжным решением на протяжении более десятка лет со старта производства. Микросхема преобразователя содержит ШИМ-контроллер, управляющий интегрированным низкоомным МОП-транзистором, переключающим с частотой 150 ±15% кГц, и набор анализирующе-корректирующей логики. Модуль работает с входным постоянным напряжением от 3.5В до 40В, преобразовывая его в постоянные 1.25В ~ 32В на выходе. Верхний 40-вольтовый порог поддерживаемого LM2596S выходного напряжения ограничен установленным в схеме фильтрующим 35-вольтовыми электролитическим конденсатором. Преобразователь укомплектован информационным светодиодным индикатором, извещающем о наличии минимум 3-вольтового напряжения на выходе преобразователя.
Модуль HW-411 выдерживает нагрузки по току до 3А в импульсном, и до 1-1.5А в продолжительном режимах. В интервале токов от 1.5А до 3А модулю HW-411 необходимо усиленное охлаждение. Отличительной чертой модуля понижающего преобразователя на чипе LM2596-ADJ является малый уровень падения напряжения на выходе. Разница между входом и выходом напряжения без учёта нагрузки не превышает 2.5%. На плате модуля нет заранее предусмотренных контуров защиты, предотвращающих возможное повреждение чипа LM2596S и его сопутствующих компонентов от неправильного подключения полюсов напряжения с обеих сторон. Режим блокировки микросхемы с отключением блока преобразования в LM2596S настроен на уровень входного напряжения менее 3.3В.
Подключение и регулировка напряжения на выходе преобразователя
Прямое подключение источника электроэнергии или питаемого устройства к HW-411 возможно через припайку плюсовых и минусовых контактов к соответствующим площадкам входной группы IN+/IN- и площадка группы выхода OUT+/OUT-. В случаях запланированного многократного отключения или подключения к HW-411 источника или потребителя, к выводам IN/OUT рекомендуется припайка соединительных электрических проводных разъёмов или клемм.
Выбор необходимого вольтажа на выходе регулятора HW-411 осуществляется плавным вращением винта подстроечного резистора. Направление по часовой стрелке - увеличение уровня напряжения, в обратном направлении - уменьшение. Для перехода через весь диапазон напряжений, от минимального до максимального значений (или наоборот), потребуется около 25 ± 3 полных оборота вокруг оси. Регулировка напряжения на выходе преобразователя выполняется без подключения нагрузки, замерами потенциала группы OUT при помощи любого вольтметра.
Эффективность преобразования
Коэффициент полезного действия LM2596S-ADJ может достигать 93%. КПД рассчитывается отношением показателей выходной мощности к входной, и напрямую зависит от параметров эксплуатации преобразователя. Понижающий импульсный преобразователь потребляет больше мощности со стороны источника напряжения, и вырабатывает меньше мощности для нагрузочной цепи. Наилучший показатель КПД определяется условием минимальной разницы напряжений между входом и выходом, с наименьшим нагрузочным током. Увеличение любого из этих двух параметров, в большей или меньшей степени приводит к снижению КПД. Более подробно в примерах о КПД преобразователя можно узнать из статьи.
Стабилизация напряжения
Чип понижающего регулятора LM2596S-ADJ выравнивает и стабилизирует напряжение на выходе до тех пор, пока уровень входного напряжения превышает значение, заданное регулятором на выходе. Когда напряжение на входе становится ниже установленной отметки, напряжение на выходе также уменьшается.
Принципиальная схема HW-411
Техническая документация
- Спецификация регулятора NS LM2596S-ADJ (англ., PDF);
------------------
СЕЕД10343:70
Доставка может производиться различными по Вашему выбору способами. Это и самовывоз, и курьерские службы по г. Москве, и транспортные компании по России. Также мы можем выслать этот товар Почтой России. Если размеры, вес товара Преобразователь постоянного напряжения DC-DC на LM2596 понижающий, выбор напряжения - регулятором , Вх CTTL10343 или соображения удароустойчивости находятся в разрешённых Почтой России пределах.





