Радиопередатчик ESP-14 на базе ESP8266 с встроенным процессором STM8
Код товара: CTTL12299
Есть в наличии| 530 c |
| 530 c |
WiFi модуль ESP8266-ESP-14, контроллер беспроводной связи на современном чипе ESP8266EX с управляющим сопроцессором STM8
В современном, быстроразвивающемся мире, мы все давно привыкли к тому, что нас уже практически везде окружают разнообразные сети беспроводной связи, предлагающие нам возможность отправлять в Интернет или принимать из него различного рода цифровые данные, будь то музыкальные треки, фотографии, файлы с видеорядом или иную полезную информацию повсюду, где к таким сетям есть доступ. Среди существующего множества стандартов связи, подавляющему большинству очень хорошо известна технология WiFi, ставшая повседневной обыденностью. Доступ к WiFi есть почти в каждой квартире, сеть активно развивается в общественном транспорте, часто встречается в сферах отдыха, развлечения и досуга. И конечно же, WiFi присутствует в любом современном персональном компьютере, в мобильном телефоне и планшете. Стоит упомянуть о том, что технология беспроводной связи WiFi широкими шагами углубляется в контекст систем видеонаблюдения, позиционирования и безопасности, а также неустанно набирает обороты по интеграции в бытовой и промышленной электронике. Подхватив тенденцию развития, производители разнообразной "умной" техники стараются усовершенствовать наш быт средствами удалённого обмена данными, внедряют технологию в свои продукты, одновременно обучая их общаться между собой в сетях нового поколения "Интернет Вещей" (англ. Internet of Things, IoT).
Модули на чипе ESP8266 завоевали заслуженную популярность среди разработчиков собственных электронных проектов благодаря низкой ценовой категории и наличием основного полноценного функционала. Он способен выполнять все базовые операции приёмо-передачи по технологии WiFi. Антенна разведена по краю печатной платы в виде зигзагообразной дорожки, контакта или разъёма для монтажа внешней антенны не предусмотрено. Верхняя сторона модуля оборудована металлическим кожухом, защищающим внутреннюю электронику от возможных электрических помех.
Конструктивные особенности ESP8266-14
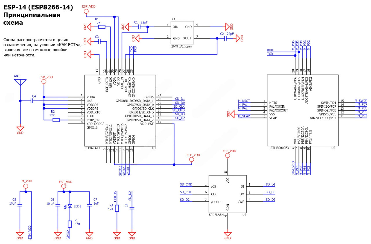
Беспроводной передатчик ESP-14 заметно выделяется среди себе подобных моделей ESP наличием дополнительного сопроцессора на микросхеме STM8S003, стоящего в прямой связке с ESP8266EX. ESP-14 изначально целенаправленно проектировался для активной работы с АТ командами. Оба встроенных процессора получают питание по раздельным каналам, вследствие чего их можно использовать независимо друг от друга с одной лишь оговоркой - связь в ESP8266EX доступна пользователю через выводы RX и TX единственного последовательного интерфейса UART.
Практически все выводы ESP14 подведены к сопроцессору STM8 и обозначены соответствующей маркировкой на плате (за исключением выводов питания и управления режимом загрузки, принадлежащих микросхеме ESP8266 WiFi-передатчика). Главная цель программируемого сопроцессора STM8 - создание автономного приложения для автоматического управления чипом ESP8266 без участия "основного" процессора.
Поддержка ESP8266 реализована в популярной среде разработки Arduino IDE, которая позволяет писать собственные программы без обращения к другим интерпретаторам. К счастью, в Arduino IDE уже появились удобные библиотеки для программирования STM8 и STM32. Поэтому разработчику не потребуются другое ПО для создания единого приложения с разно-архитектурными контроллерами.
Технические данные
ESP8266EX беспроводная связь WiFi
STM8S Управление AT командами
Общие
ESP8266EX функциональная блок-схема
Распиновка ESP-14 (Диаграмма выводов, ESP-14 подключение)
Микроконтроллер STM8S модуля ESP8266-14 обладает выводами (контакты 1-6, 9-14, 18-22) общего назначения, работающими с напряжением в диапазоне от -0.3 вольта до +5.5 вольта, тем самым предоставляя разработчику возможность коммутации разнообразных устройств, работающих на различной вольтовой логике.
Некоторые контакты могут быть переназначены на альтернативные функции, характеристики которых подробно описаны в технической документации по STM8. Все 16 пинов поддерживают обработку внешних прерываний. Рекомендуемый ток отдельного вывода составляет 10 миллиампер, предельный ток - 20 миллиампер.
Примечание! Избегайте превышение значений максимального тока более 20 миллиампер и напряжения более 5.5 вольта, способного повредить микроконтроллер.
Специальные функции:
Подключение и прошивка ESP8266EX в модуле ESP-14
Для прошивки ESP-14 по шине UART, используйте следующие контакты: M_PD5 в роли RX, M_PD6 как TX, подключите ESPVCC (ESP_VDD) к выводу +3.3В внешнего источника питания, подтяните контакт ESP_GPIO0 на землю через резистор 10 кОм, соедините вместе заземляющие выводы источника питания, модуля ESP-14 и программатора. После запуска микросхемы ESP8266EX загрузите прошивку.
Режимы энергосбережения ESP8266EX
Кроме стандартных режимов полного функционирования и выключенного состояния, модуль ESP-14 поддерживает следующие энергосберегающие режимы:
- Modem-sleep — настраивается для приложений, использующих функции ШИМ или I2S, заставляющие процессор работать. В случаях, когда WiFi-связь установлена и передача данных не требуется, схема Wi-Fi модема может быть отключена для экономии энергии. Например, в режиме DTIM3, когда ESP8266 "спит" 300 миллисекунд и просыпается на 3 миллисекунды для приёма от точки доступа пакетов беспроводных Маяков (Beacon), общее потребление тока составляет около 20мА.;
- Light-sleep — используется в задачах, в которых поддерживается соединение Wi-Fi и передача данных не требуется, при этом процессор может быть приостановлен. Например, режим коммутатора Wi-Fi. Общее среднее потребление тока составляет около 2 мА.;
- Deep-sleep — глубокий сон оптимален для приложений, которые не требуют подключения Wi-Fi и передают данные c большими задержками по времени. К таким задачам относятся датчики температуры, выполняющие измерения каждые 100 секунд. Например, когда ESP8266EX "спит" 300 секунд и просыпается для соединения с точкой доступа (около 0.3-1 секунды), общее среднее потребление тока намного меньше 1 мА.;
Режимы запуска модулей серии ESP
| Режим | CHIP_EN | GPIO15 | GPIO0 | GPIO2 |
| Загрузка через UART (STM8) | высокий | низкий | низкий | высокий |
| Загрузка из флеш памяти | высокий | низкий | высокий | высокий |
Значения "Высокий" и "Низкий" - уровень сигнала на входе соответствующего контакта.
В модуле ESP-14 выводы CHIP_EN, GPIO2 и GPIO15 не доступны пользователю.
АТ команды ESP8266
В разделе расположены документы, содержащие полный перечень АТ инструкций ESP8266 с подробным описанием для каждой из них. Все команды разделены на три основные группы:
- Основные АТ команды;
- WiFi AT команды;
- TCP/IP AT команды;
АТ инструкции ESP8266 v1.5.4 (англ., PDF)
AT инструкции ESP8266 v3.0.2 (англ., PDF)
АТ команды ESP8266 в примерах v1.3 (англ., PDF)
ESP-14 Схема принципиальная
Техническая информация
Полезные ссылки
------------------
СЕЕД12299:530
Доставка может производиться различными по Вашему выбору способами. Это и самовывоз, и курьерские службы по г. Москве, и транспортные компании по России. Также мы можем выслать этот товар Почтой России. Если размеры, вес товара Радиопередатчик ESP-14 на базе ESP8266 с встроенным процессором STM8 или соображения удароустойчивости находятся в разрешённых Почтой России пределах.





