Для Arduino: Платы, узлы, модули, шилды, наборы, конструкторы и книги ► Датчики для ARDUINO : температуры, влажности, газов, расстояния
Для Arduino: Платы, узлы, модули, шилды, наборы, конструкторы и книги ► Датчики для ARDUINO : тока и напряжения
Для Arduino: Платы, узлы, модули, шилды, наборы, конструкторы и книги ► Датчики для ARDUINO : тока и напряжения
Модуль вибрации механический
Код товара: CTTL10184
Есть в наличии| 50 c 200 c |
| 50 c 200 c |
|
|
|
|
Модуль вибрации механический KY-002 воспринимает механические воздействия на прибор, в котором он закреплен. Реагирует на удары, вибрацию, встряску. Используется в охранных системах, а также в движущейся робототехнике для регистрации столкновения с препятствием.
На модуле KY-002 установлен датчик механического воздействия серии SW-18015P. Конструктивно он представляет собой металлический стержень, вокруг которого расположена пружина. При сотрясении датчика пружина соприкасается со стержнем и цепь замыкается.
Технические характеристики:
Предельное напряжение коммутации: 12 В
Сопротивление контактов:
разомкнуты: более 10 МОм
замкнуты: менее 30 МОм
Гарантированное количество срабатываний: более 100000
Цифровой выход: 0 или 1
Время включения: 0.1 мс
Размеры: 2,4 х 1,5 х 0.9 cм;
Вес: 4 г
Подключение:
«S» — цифровой выход (высокий/низкий уровень)
«средний контакт» — можно подключить +5 В Arduino платы
«-» — общий
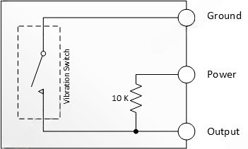
Схема подключения:
------------------
СЕЕД10184:50
Вы можете купить Модуль вибрации механический как за наличный расчёт, так и по безналичному расчёту ( т.н. безналу, перечислению).
Для этого Вам надо либо оформить заказ на нашем сайте, указав в примечании реквизиты, либо прислать письмо
с точным указанием кода CTTL10184 на Модуль вибрации механический, желаемого количества и реквизитов Вашей организации.
Счета по безналичному расчёту выписываются на основании вашего письменного запроса и от суммы 500 рублей.
Доставка может производиться различными по Вашему выбору способами. Это и самовывоз, и курьерские службы по г. Москве, и транспортные компании по России. Также мы можем выслать этот товар Почтой России. Если размеры, вес товара Модуль вибрации механический или соображения удароустойчивости находятся в разрешённых Почтой России пределах.
Доставка может производиться различными по Вашему выбору способами. Это и самовывоз, и курьерские службы по г. Москве, и транспортные компании по России. Также мы можем выслать этот товар Почтой России. Если размеры, вес товара Модуль вибрации механический или соображения удароустойчивости находятся в разрешённых Почтой России пределах.





