Модуль GY-271 трехосевой цифровой компас на чипе HMC5883L
Код товара: CTTL10236
Есть в наличии| 220 c 345 c |
| 220 c 345 c |
|
|
|
|
Трехосевой цифровой компас GY-273 на микросхеме HMC5883L - это цифровой магниторезистивный компас (магнитометр на три координаты). Кроме этого на плате модуля GY-273 размещены необходимые для надежного функционирования подтягивающие резисторы.
Микросхема HMC5883L работает по шине I2C. В качестве сенсоров используется три магниторезистивных датчика.
Компас GY-273 облегчает ориентирование на местности путём указания на магнитный полюс Земли.
Технические характеристики:
Модель: GY-273 / HW-127 / аналог
Питание: 3.3 - 5В
Потребление тока: 100 мкА
Интерфейс: I2C
Диапазон рабочих температур: от -40 ° C до + 85 °C
12-разрядный АЦП с разрешением 2 мГс
Встроенная самопроверка
Низкое рабочее напряжение и малое потребление
Высокая скорость опроса: до 160 раз в секунду (время одного измерения примерно 6 мс)
Точность определения направления: 1…2°
Может применяться в сильных магнитных полях (до ±8 Гаусс)
Габариты: 18,5 мм ? 13,5 мм ? 1,1 мм
Комплектация:
3-осевой компас GY-273: 1шт
Соединитель типа "ПАПА-ПАПА": 1 шт
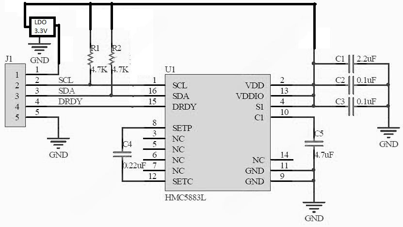
Подключение цифрового компаса GY-273 к Arduino.
Выводы SDA и SCL модуля подключаются к аппаратной шине I2C Arduino.
Выводы GND, VDD являются выводами питания (вывод VDD - питание модуля +3,3 В или 5 В)
Выводы DRDY используется для прерывания, сигнализирует о готовности данных
Схема электрическая принципиальная GY-273
------------------
СЕЕД10236:220
Доставка может производиться различными по Вашему выбору способами. Это и самовывоз, и курьерские службы по г. Москве, и транспортные компании по России. Также мы можем выслать этот товар Почтой России. Если размеры, вес товара Модуль GY-271 трехосевой цифровой компас на чипе HMC5883L или соображения удароустойчивости находятся в разрешённых Почтой России пределах.





