Драйвер шагового двигателя 7TPSM5720
Код товара: CTTL13819
Есть в наличии| 2850 c |
| 2850 c |
|
|
|
|
Драйвер-контроллер 7TPSM5720 шагового двигателя Nema23
Драйвер, или правильно - контроллер, шагового двигателя — электронное устройство, способное принимать сигналы управления от внешнего источника, и одновременно трансформировать их в рабочий ток, распределяемый на каждую электрическую обмотку (фазу) мотора. Переключая в определённой последовательности напряжение на фазах и контролируя ток, драйвер принуждает вращаться вал шагового двигателя в определённом направлении на определённый угол ("шагать").
Модель драйвера 7TPSM5720 отличается от большинства подобных устройств своим конструктивным исполнением. Форма изделия предоставляет возможность установки драйвера непосредственно на основание шагового мотора. Габариты корпуса по длине и ширине имеют стандартные для Nema23 размеры - 56х56 мм. Для надежной фиксации двигателя с контроллером достаточно воспользоваться четырьмя обычными болами ?3мм.
Контроллер имеет пассивное охлаждение, рассеивающее выделяемое тепло в окружающую среду. Корпус конструкции изготовлен из цельнометаллического алюминиевого сплава. При необходимости, на решётку радиатора можно самостоятельно аккуратно прикрепить дополнительный вентилятор.
Контакты управляющих сигналов DIR, STP, EN обладают внутренней оптической развязкой, предназначенной для увеличения степени электробезопасности - защиты электронных компонентов драйвера от повреждений при возможных скачках напряжения.
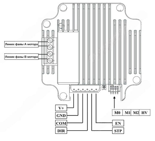
Драйвер 7TPSM5720 оснащён четырьмя контактами, соединяемыми с двухфазным шаговым мотором. Сопряжение контроллера и двигателя осуществляется в соответствии с обозначением выводов каждой обмотки двигателя. Первая обмотка — линии А+, А-, вторая обмотка В+, В-. Иногда, встречается обозначение: A, C (первая) и B, D (вторая).
Обзор драйвера
Назначение выводов
Микропереключатель HV служит для выбора уровня напряжения сигналов управления, в положении ВКЛ - устанавливается напряжение в интервале 3.3-5 вольт, в положении ВЫКЛ - устанавливается напряжение в диапазоне 12-24 вольта.
Регулировка тока фазы
Рядом с контактами управления и DIP-переключателем дробления шага установлен подстроечный резистор. Он имеет собственное отверстие-контакт на плате драйвера, которое обозначено маркировкой Vref. Контакт необходим для измерения напряжения в процессе регулировки тока по формуле расчёта. Замер напряжения производится обычным мультиметром между выводами GND (общий, заземление) и Vref (плюсовой) путём вращения подстроечного резистора до получения на выводах необходимого значения.
Формула расчёта: Ток фазы = Vref * 2
Например: ток фазы шагового двигателя составляет 4А.
Vref = 4 / 2 = 2 вольта.
Допустимый диапазон регулировки Vref от 0.75 до 2.25 вольта (ток фазы от 1.5 до 4.5А).
Примечание. Формула расчёта для других моделей драйверов может отличаться. Данная формула представлена для контроллера 7TPSM5720.
Дробление шага
Дроблением шага называется деление основного шага на определённое количество маленьких шагов, например 1/2 = 0.9°, 1/4 = 0.45° и т.д. Изменением микрошага можно добиться увеличения плавности хода с одновременным уменьшением шума и вибрации. Во время выполнения микрошага, переключаемый между катушками двигателя ток не достигает номинальной величины, оставаясь лишь на определённом уровне. Благодаря этому, достигается возможность удержания вала в промежуточном положении от полного шага.
Физический шаг большинства шаговых двигателей равен 1.8°, полный оборот вала двигателя на 360° будет достигнут за 200 шагов. Например, производимое деление шага в соотношении 1/8 подразумевает передачу 8 сигналов вращения на каждый полный физический шаг. Общее количество микрошагов до полного оборота вала двигателя увеличивается на 8 (8*200 = 1600).
Примечание. В большинстве случаев, увеличение значения дробление шага приводит к искажению позиционирования вала двигателя примерно на 3-5%.
Выбор микрошагового режима осуществляется изменением положений рычажков механического DIP-переключателя. Возможные варианты представлены в таблице ниже
| М0 | М1 | М2 | Дробление |
| ВКЛ | ВКЛ | ВКЛ | 1/1 |
| ВЫКЛ | ВКЛ | ВКЛ | 1/2 |
| ВКЛ | ВЫКЛ | ВКЛ | 1/4 |
| ВЫКЛ | ВЫКЛ | ВКЛ | 1/8 |
| ВКЛ | ВКЛ | ВЫКЛ | 1/16 |
| ВЫКЛ | ВКЛ | ВЫКЛ | 1/32 |
| ВКЛ | ВЫКЛ | ВЫКЛ | 1/64 |
| ВЫКЛ | ВЫКЛ | ВЫКЛ | 1/128 |
Пример установки 7TPSM5720 на корпус шагового мотора NEMA23
Габаритные размеры
------------------
СЕЕД13819:2850
Доставка может производиться различными по Вашему выбору способами. Это и самовывоз, и курьерские службы по г. Москве, и транспортные компании по России. Также мы можем выслать этот товар Почтой России. Если размеры, вес товара Драйвер шагового двигателя 7TPSM5720 или соображения удароустойчивости находятся в разрешённых Почтой России пределах.





