Драйвер шагового двигателя 7TPSM4220
Код товара: CTTL13820
Есть в наличии| 1700 c |
| 1700 c |
|
|
|
|
Драйвер-контроллер 7TPSM4220 шагового двигателя Nema17
Драйвер, или правильно - контроллер, шагового двигателя — электронное устройство, способное принимать сигналы управления от внешнего источника, и одновременно трансформировать их в рабочий ток, распределяемый на каждую электрическую обмотку (фазу) мотора. Переключением в определённой последовательности напряжение на фазах и контролируя ток, драйвер принуждает вращаться вал шагового двигателя в определённом направлении на определённый угол ("шагать").
Модель драйвера 7TPSM4220 отличается от большинства подобных устройств своим конструктивным исполнением. Формат изделия предлагает возможность установки драйвера непосредственно на основание шагового мотора. Габариты корпуса по длине и ширине приравнены к стандартным для Nema17 размерам - 42 х 42мм. Для надежной фиксации двигателя с контроллером достаточно воспользоваться четырьмя обычными болтами диаметром 3мм. Контроллер оснащён пассивным охлаждением, рассеивающим выделяемое тепло в окружающую среду. Корпус конструкции изготовлен из цельнометаллического алюминиевого сплава. В случаях повышающегося нагрева, на решётку радиатора допускается самостоятельная установка дополнительного вентилятора.
Контакты управляющих сигналов DIR, STP, EN обладают внутренней гальванической развязкой через оптроны. Они увеличивают степень общей электробезопасности цепей управления, защищают электронные компоненты драйвера от вероятных повреждений, связанных с нестабильностью логического напряжения или наличия токов КЗ.
Силовые линии 4-контактной клеммы драйвер 7TPSM4220 соединяются с фазами шагового моторов. Сопряжение шагового контроллера и двигателя Nema17 осуществляется в соответствии с обозначением выводов каждой обмотки двигателя. Первая обмотка — линии А+, А-, вторая обмотка В+, В-. Иногда, встречается обозначение: A, C (первая) и B, D (вторая).
Обзор драйвера
Назначение выводов
Микропереключатель HV служит для выбора уровня напряжения сигналов управления, в положении ВКЛ - устанавливается напряжение в интервале 3.3-5 вольт, в положении ВЫКЛ - устанавливается напряжение в диапазоне 12-24 вольта.
Регулировка тока фазы
На обратной (тыльной) стороне драйвера установлен подстроечный резистор. Он имеет собственное отверстие-контакт на плате драйвера, которое обозначено маркировкой Vref. Контакт необходим для измерения текущего показателя опорного напряжения, используемого в процессе регулировки тока по формуле расчёта. Замер напряжения производится обычным мультиметром между выводами GND (общий, заземление) и Vref (плюсовой) путём вращения подстроечного резистора до получения на выводах необходимого значения.
Формула расчёта: Ток фазы = Vref * 2
Например: ток фазы шагового двигателя составляет 1.7А.
Vref = 1.7 / 2 = 0.85 вольта.
Допустимый диапазон регулировки Vref от 0.15 до 1.0 вольта (ток фазы от 0.3 до 2.0 А).
Примечание. Формула расчёта для других моделей драйверов может отличаться. Настоящая формула представлена исключительно для настройки ШД-контроллера 7TPSM4220.
Дробление шага
Дроблением шага называется деление основного шага на определённое количество маленьких шагов, например 1/2 = 0.9°, 1/4 = 0.45° и т.д. Изменением микрошага можно добиться увеличения плавности хода с одновременным уменьшением шума и вибрации. Во время выполнения микрошага, переключаемый между катушками двигателя ток не достигает номинальной величины, оставаясь лишь на определённом уровне. Благодаря этому условию, реализована возможность удержания вала в промежуточном положении от величины полного шага.
Физический шаг большинства шаговых двигателей равен 1.8°. Полный оборот вала на 360° у таких двигателей осуществляется за 200 шагов. Пример производимого деления шага в соотношении 1/8 подразумевает передачу 8 импульсов STP на каждый полный физический шаг. Общее количество микрошагов в диапазоне полного оборота вала двигателя вокруг оси 8-кратно увеличивается (8*200 = 1600).
Примечание. В большинстве случаев, увеличение значения дробление шага приводит к искажению позиционирования вала двигателя примерно на 3-5%.
Выбор микрошагового режима осуществляется изменением положений рычажков механического DIP-переключателя. Возможные варианты представлены в таблице ниже
| М0 | М1 | М2 | Дробление |
| ВКЛ | ВКЛ | ВКЛ | 1/1 |
| ВЫКЛ | ВКЛ | ВКЛ | 1/2 |
| ВКЛ | ВЫКЛ | ВКЛ | 1/4 |
| ВЫКЛ | ВЫКЛ | ВКЛ | 1/8 |
| ВКЛ | ВКЛ | ВЫКЛ | 1/16 |
| ВЫКЛ | ВКЛ | ВЫКЛ | 1/32 |
Пример установки 7TPSM5720 на корпус шагового мотора NEMA17
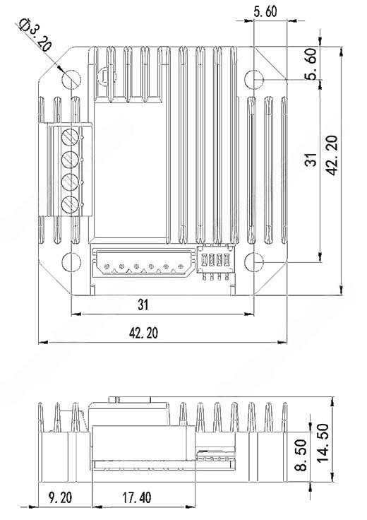
Габаритные размеры, мм
------------------
СЕЕД13820:1700
Доставка может производиться различными по Вашему выбору способами. Это и самовывоз, и курьерские службы по г. Москве, и транспортные компании по России. Также мы можем выслать этот товар Почтой России. Если размеры, вес товара Драйвер шагового двигателя 7TPSM4220 или соображения удароустойчивости находятся в разрешённых Почтой России пределах.





