Преобразователь постоянного напряжения DC-DC 1500Вт Boost повышающий с активным охлаждением
Код товара: CTTL14390
Есть в наличии| 1465 c 2549 c |
| 1465 c 2549 c |
|
|
|
|
Технические характеристики
Комплектация
Схематика преобразователя DC-DC SZ-BT07CCCV-A 1200W
Модель QS-4884CCCV-1500W ориентирована на эксплуатацию в мощных системах питания и предназначена для интеграции в бытовые и промышленные схемы распределения электроэнергии, включая области автомобилестроения и электрического транспорта. Модуль импульсного повышающего преобразователя спроектирован для питания напряжением 12 - 80В постоянного тока до 12А всевозможной электроники и электроприборов от бортовых сетей легкового или грузового транспорта, от стационарных источников АС-DC, или от портативных энергоносителей. SZ-BT07CCCV-A может выполнять функцию драйвера для мощного светодиодного оборудования (не менее 10Вт мощности в суммарном потреблении).
Преобразователь QS-4884CCCV-1500W построен по схеме повышения напряжения. Уровень входного напряжения в повышающем преобразователе определяет нижнюю границу регулировки доступного выходного напряжения. Без активной нагрузки, напряжение на выходе модуля всегда будет выше входного. Наименьшая рекомендуемая разница между входом и выходом составляет 2 вольта. Асинхронный DC-DC преобразователь QS-4884CCCV-1500W собран на контроллере TL494, использующего метод широтно-импульсной модуляции (ШИМ) на этапе формирования выходных параметров энергии. Контроллер TL494 управляет включением и выключением силового MOSFET-транзистора с частотой 120 кГц, работающего в связке с индукционным дросселем и высокоамперным выпрямительным диодом.
Входной контур платы QS-4884CCCV-1500W защищён от токов короткого замыкания 60-амперным плавким предохранителем напряжением на 100 вольт, установленным в специальный держатель. Вышедший из строя предохранитель легко заменяется на новый. Дополнительно во входном контуре присутствует МОП-транзистор IRFB3206, исключающий поступление энергии в схему платы тогда, когда плюсовой и минусовой полюса первичного источника не верно подключены к входным клеммам. В выходном контуре преобразователя подобной защиты нет. Присоединение линий питания нагрузки к клеммам выхода требует предельного внимания к соблюдению полярности.
Модуль оснащён массивным алюминиевым радиатором охлаждения силовых компонентов преобразователя. Плата укомплектована вспомогательным чипом 0.4-амперного ШИМ-регулятора XL7005A, генерирующего напряжение открытия мощного силового ключа преобразователя. Этим напряжением питается 12-вольтового вентилятор размером 50 х 50 мм, присоединённый к малому разъёму JST-2.54. Система с активным охлаждением успешно справляется на уровне малых и средних токовых нагрузок до 15А (или потреблением выходной мощности до 1200Вт). Для нормального продолжительного функционирования QS-4884CCCV-1500W в режиме пиковых нагрузок с высоким током/мощностью потребуется дополнительное усиленное охлаждение всех компонентов модуля.
Обратите внимание!
Преобразователь QS-4884CCCV-1500W работает в диапазонах повышенного напряжения постоянного тока, опасного для человека. Подключение и настройка настоящего DC-DC модуля должна осуществляется специально обученным лицом, с соблюдением всех норм и правил электробезопасности при обращении с мощными электроприборами.
Интерфейсы подключения и компоненты DC-DC повышающего модуля QS-4884CCCV-1500W Boost Converter
Настройка параметров выхода DC-DC преобразователя QS-4884CCCV-1500W
Модуль способен контролировать параметры вырабатываемой на выходе электроэнергии. QS-4884CCCV-1500W располагает простым в эксплуатации интерфейсом ручного управления устройством. Установлены многооборотный потенциометр регулировки уровня выходного напряжения "CV V-ADJ", и аналогичный подстроечник ограничения выходного тока "CC A-ADJ". В процессе вращения винта соответствующего резистора по часовой или против часовой стрелке, настраиваемый параметр электроэнергии принимает большее или меньшее значение.
Входное напряжение
Наличием встроенного регулятора входного напряжения RV1 UVP, особое внимание в модуле мощного импульсного DC-DC 1500Вт обращёно в сторону защиты автономных источников питания с лимитированным запасом энергии (автомобильные, бытовые и промышленные аккумуляторные батареи с напряжением от 12В) от глубокого разряда. Плата DC-DC регулятора поддерживает работу с источниками экологически чистой "зелёной энергии", предотвращает их от повреждения исключением состояний перегрузки. В случаях приходящего на DC-DC преобразователь пониженного входного напряжения, недостаточного для преодоления порогового значения, установленного регулятором "RV1 UVP", схема преобразования энергии срабатывает на отключение внутренних силовых цепей, загорается светодиодный индикатор "UVP". Выходная мощность модуля QS-4884CCCV-1500W соответствует мощности первичного источника электроэнергии. С возвращение вольтажа входного напряжения на нормальный уровень, DC-DC модуль возобновляет процесс преобразования.
Выходной ток
Регулировкой потенциометра "CC A-ADJ" определяется величина силы тока, доступная для потребления нагрузкой, превышение которой заведомо недопустимо. Режима стабилизации тока с автоматической балансировкой выходной мощности у настоящего преобразователя нет. Система силовых контуров в QS-4884CCCV-1500W настроена на простое автоотключение, когда нагрузочный ток пересекает вверх точку ограничения потребления. На выходе устанавливается мощность, соответствующая мощности первичного источника электроэнергии. Загорается светодиодный индикатор "OCP".
Нижняя граница регулируемого нагрузочного тока в схеме преобразователя определена значением 800мА. Модель QS-4884CCCV-1500W не предусматривает возможность управления токами нагрузки меньшей величины.
Регулировку параметра ограничения тока желательно проводить с помощью электронного прибора, эмулирующего силовую нагрузку. Либо воспользоваться амперметром, подключенным в разрыв с нагрузочной цепью со стабильными, чётко известными параметрами потребления. Измеряемое вольтметром напряжение на выходе преобразователя QS-4884CCCV-1500W, в точке ограничения тока сбрасывается до входного уровня.
Обратите внимание!
Минусовые контакты на входе IN- и выходе OUT- платы преобразователя следует подключать отдельно друг от друга. В случае их объединения в одну общую линию, функции ограничения величины нагрузочного тока в модуле DC-DC регулятора QS-4884CCCV-1500W работать не будет.
Применение метода прямого подключения амперметра к выходным контактам для настройки величины ограничения нагрузочного тока недопустимо!
Выходное напряжение
Регулировка выходного напряжения требует подключения к плюсовому OUT+ и минусовому OUT- контактам платы произвольного вольтметра на 100В и более (мультиметра). Напряжение выхода устанавливается по показаниям измерительного прибора. В режиме стабилизации напряжения, преобразователь автоматически повышает входное напряжение с меньшим вольтажом до заданного на выходе значения. Разница потенциалов напряжения между первичным источником энергии и нагрузкой компенсируется увеличением потребления входного тока.
Коэффициент эффективности преобразования энергии QS-4884CCCV-1500W
Модуль импульсного DC-DC регулятора с ШИМ-контроллером TL494 потребляет больше электроэнергии от первичного источника, подключенного ко входу, и вырабатывает на выходе мощность меньшего значения. Коэффициент полезного действия QS-4884CCCV-1500W может достигать 92%. Характеристика КПД не постоянна, её величина напрямую зависит от параметров эксплуатации преобразователя, выражается в процентном отношении, и рассчитывается делением вырабатываемой (выходной) мощности на потребляемую (входную) мощность. Изменение любого из настраиваемых параметров настоящего импульсного регулятора повлияет на эффективность. "Потерянный" процент КПД расходуется в процессе преобразования.
Базовая формула преобразования электроэнергии выглядит следующим образом: (U*I) Pвхода = Pвыхода * КПД. В тоже время, типовая формула ограничена допустимыми эксплуатационными характеристиками преобразователя QS-4884CCCV-1500W, имеющего точное обозначение норм потребления и выработки напряжения и тока, с учётом пределов выходной мощности. Например, при входном напряжении 12В и токе 30А, выходная мощность не превысит 360Вт, при входных 24В и 30А - не составит более 720Вт, с 36 вольтами на входе - до 1080Вт, и т.д.)
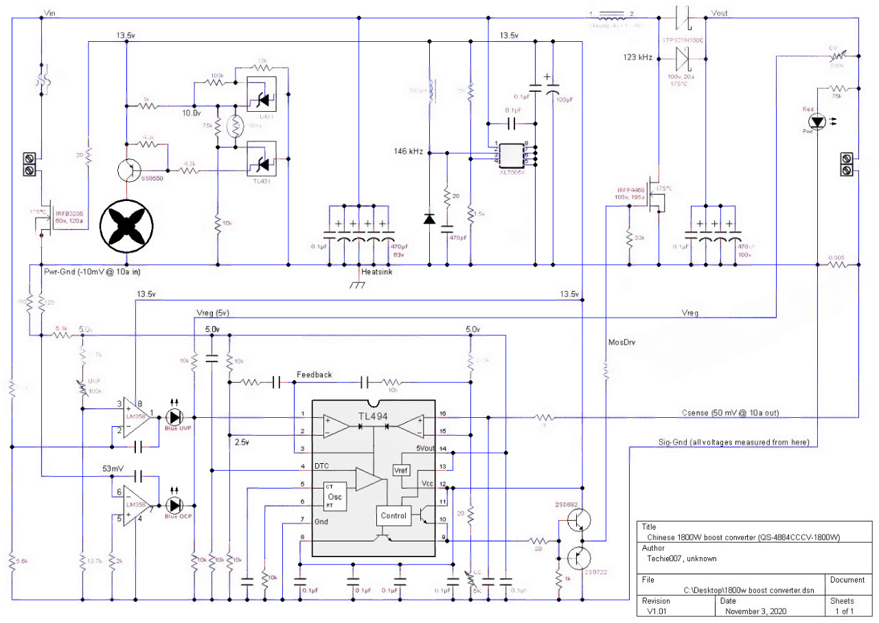
Электрическая принципиальная схема повышающего DC-DC преобразователя QS-4884CCCV-1500W
* Представлена неофициальная схема модуля QSKJ QS-4884CCCV-1800W. В настоящей схеме могут присутствовать ошибки и неточности. Распространяется на условии "как есть".
Физические размеры, мм
Техническая документация
- Спецификация микросхемы ШИМ-контроллера TL494 (англ., PDF, Datasheet);
------------------
СЕЕД14390:1465
Доставка может производиться различными по Вашему выбору способами. Это и самовывоз, и курьерские службы по г. Москве, и транспортные компании по России. Также мы можем выслать этот товар Почтой России. Если размеры, вес товара Преобразователь постоянного напряжения DC-DC 1500Вт Boost повышающий с активным охлаждением или соображения удароустойчивости находятся в разрешённых Почтой России пределах.





