Безколлекторный (безщеточный) трёхфазный мотор JGB37-3625 с редуктором и обратной связью CTTL13955
Код товара: CTTL13955
Есть в наличии| 2450 c |
| 2450 c |
|
|
|
|
Мотор-редуктор с обратной связью JGB37-3625, 1:90
Мотор-редуктор JGB37-3625 компактного размера, собран на трёхфазном безколлекторном (безщёточном) двигателе, работающим от постоянного напряжения. На вал двигателя установлен цельнометаллический редуктор, состоящий из нескольких ступеней шестерёнчатых передач. Вал редуктора расположен параллельно оси вращения ротора мотора. Редуктор влияет на изменения соотношений крутящего момента и скорости вращения между валом мотора и валом редуктора, снижая скорость и обеспечивая необходимое усилие на валу редуктора.
Внутри корпуса мотора размещён собственный контроллер, управляющий распределением тока на обмотках двигателя. Контроллер собран на микросхеме, отслеживающей положение ротора двигателя по трём датчикам Холла. Дополнительно, контроллер поддерживает функции: переключение направления вращения вала без смены полярности на клеммах двигателя и изменение скорости вращения вала.
Направление вращения CW/CCW
Вращение возможно в двух направлениях - по часовой и против часовой стрелке. При номинальном напряжении 24 вольт, вал редуктора делает 66 полных оборотов в минуту на холостом ходу, и снижает скорость до 52 в режиме полной нагрузки. По причине высокого пускового тока, перед сменой направления рекомендуется полностью останавливать вращение вала.
У мотора имеется отдельный вывод, предназначенный управлять направлением вращения вала по часовой/против часовой стрелке CW/CCW. Регулировка осуществляется изменением напряжения: 0 вольт - направление против часовой стрелки (CCW), 2.5-5 вольт - по часовой стрелке (CW).
Скорость вращения PWM
Скорость вращения вала, от его полной остановки до максимально возможного количества оборотов, настраивается выходным напряжением внешнего ШИМ-регулятора в интервале 0-5 вольт. Положительный "плюсовой" контакт регулятора ШИМ подключается к выводу PWM мотора, отрицательный "минусовой" к общему выводу "GND".
Управление
Управлять трёхфазным безщёточным мотором-редуктором JGB-3625 позволяет специальный ШИМ-регулятор на микроконтроллере N76E003AT20, обладающий всеми необходимыми функциями, или же другие его аналоги.
Примечание. Во избежании порчи встроенного контроллера, все выводы мотора необходимо подключать в строгом соответствии с их назначением и напряжением.
Мотор-редуктор JGB37-3625 схема включения
Изделие имеет пять выводов, предназначенных для коммутации напряжения питания и управления:
- Чёрный - общий контакт, заземление (GND);
- Красный - питание мотора, плюсовой контакт (+24В, PWR);
- Жёлтый - генератор импульсных сигналов обратной связи (FB - Feedback Generator);
- Белый - направление вращения вала по/против часовой стрелке (CW/CCW);
- Синий - скорость вращения вала, регулируемая ШИМ (PWM);
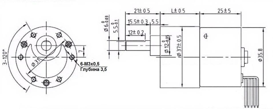
Габаритные размеры, мм
------------------
СЕЕД13955:2450
|
|
|
Муфта колеса 5 мм соединительная для моторов с редуктором, длина 18мм... |
Доставка может производиться различными по Вашему выбору способами. Это и самовывоз, и курьерские службы по г. Москве, и транспортные компании по России. Также мы можем выслать этот товар Почтой России. Если размеры, вес товара Безколлекторный (безщеточный) трёхфазный мотор JGB37-3625 с редуктором и обратной связью CTTL13955 или соображения удароустойчивости находятся в разрешённых Почтой России пределах.





