Паяльник TS100 BC2+C4 Golden миниатюрный
Код товара: CTTL14678
Есть в наличии| 840 c 8612 c |
| 840 c 8612 c |
|
|
|
|
Мотор-редуктор с энкодером JA12-N20B, 1:270
Коллекторный (щёточный) мотор миниатюрных размеров JA12-N20B, собран на двигателе N20. На вал двигателя установлен цельнометаллический соосный редуктор, состоящий из нескольких ступеней шестерёнчатых передач. Редуктор влияет на изменения соотношений крутящего момента и скорости вращения между валом мотора и валом редуктора, снижая скорость и обеспечивая необходимое усилие на валу редуктора.
Мотор способен вращаться в двух направлениях, по часовой и против часовой стрелке. Смена вращения достигается изменением полярности напряжения на контактах двигателя. Скорость вращения вала редуктора при напряжении 6 вольт составляет 56 - 100 оборотов в минуту, но может быть отрегулирована до необходимого изменением входного напряжения на моторе в диапазоне 3 - 9 вольт или ШИМ-регулятором. От напряжения также зависит и максимальный крутящий момент.
Энкодер
Энкодер предоставляет возможность определять направление вращение вала мотора и скорость его вращения. Применение энкодера в конструкции мотора-редуктора позволяет определить моменты включения и выключения двигателя, а также рассчитать пройденное расстояние, если изделие установлено в самодвижущиеся платформы.
Энкодер изготовлен из цилиндрического магнита и двух однополярных цифровых датчиков магнитного поля с маркировкой 44Е (датчик Холла), и размещён на валу мотора. Напряжение питания энкодера — 3.3-5 вольт.
Назначение выводов энкодера
Изделие имеет шесть выводов, предназначенных для коммутации питания и обратной связи:
- 1. Белый - питание мотора, +12 вольт;
- 2. Синий - питание энкодера, -3.3-5 вольт;
- 3. Зелёный - сигнальный провод обратной связи 1-го датчика Холла;
- 4. Жёлтый - сигнальный провод обратной связи 2-го датчика Холла;
- 5. Чёрный - питание энкодера, +3.3-5 вольт;
- 6. Красный - питание мотора, -12 вольт;
Могут встречаться другие расцветки проводов, их подключение производиться в аналогичном порядке. Порядок определяется визуально слева направо, со стороны энкодера.
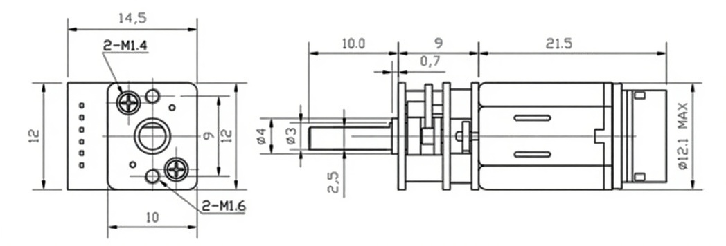
Габаритные размеры, мм
------------------
СЕЕД14678:840
Доставка может производиться различными по Вашему выбору способами. Это и самовывоз, и курьерские службы по г. Москве, и транспортные компании по России. Также мы можем выслать этот товар Почтой России. Если размеры, вес товара Паяльник TS100 BC2+C4 Golden миниатюрный или соображения удароустойчивости находятся в разрешённых Почтой России пределах.





