HF-ZJ-09 алюминиевый монтажный кронштейн для актуатора TGE-1500N.
Код товара: CTTL13947
Есть в наличии| 830 c |
| 830 c |
|
|
Обратите внимание на близкий |
|||||
|
|
HF-ZJ-03 металлический монтажный кронштейн с резьбой для актуатора. |
|
|
HF-ZJ-08 односторонний металлический монтажный кронштейн для актуатора. |
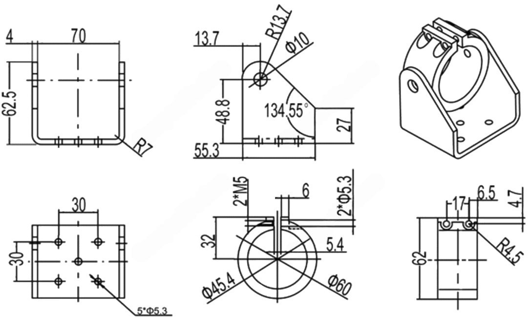
Цельнометаллический кронштейн HF-ZJ-09 предназначен для более прочного и надёжного фиксирования линейных актуаторов моделей TGE-1500N (SRE-1500N) к любым поверхностям. Конструкция кронштейна допускает использование с актуаторами других моделей, имеющими схожие или аналогичные физические размеры. Механизм состоит из двух элементов, соединённых между собой - обжимной муфты и скобы-основания. Обжимная муфта имеет внутренний диаметр 45 мм, в её верхней части располагаются два регулировочных болта. Регулировка диаметра муфты осуществляется вращением одной или обоих головок болтов шестигранным ключом по часовой / против часовой стрелке. Скоба-основание имеет пять отверстий для шурупов или саморезов, размеры прилегания основания к поверхности составляют 62 х 55,3 мм по длине и ширине.
Зачастую, работающий актуатор изменяет угол наклона своего корпуса к удерживающей его поверхности при выдвижении и втягивании штока. При монтаже кронштейна HF-ZJ-09 стоит учитывать столь немаловажный фактор - чем ближе он будет смещён к центру корпуса актуатора, тем меньше становиться допустимый рабочий угол наклона самого актуатора.
Характеристики:
Модель: HF-ZJ-09;
Максимальная боковая нагрузка: 200 кг;
Материал: Алюминиевый сплав;
Диаметр обжимной муфты: 45 мм, регулируемый;
Размеры: 70 х 55,3 х 81 мм.
------------------
СЕЕД13947:830
Вы можете купить HF-ZJ-09 алюминиевый монтажный кронштейн для актуатора TGE-1500N. как за наличный расчёт, так и по безналичному расчёту ( т.н. безналу, перечислению).
Для этого Вам надо либо оформить заказ на нашем сайте, указав в примечании реквизиты, либо прислать письмо
с точным указанием кода CTTL13947 на HF-ZJ-09 алюминиевый монтажный кронштейн для актуатора TGE-1500N., желаемого количества и реквизитов Вашей организации.
Счета по безналичному расчёту выписываются на основании вашего письменного запроса и от суммы 500 рублей.
Доставка может производиться различными по Вашему выбору способами. Это и самовывоз, и курьерские службы по г. Москве, и транспортные компании по России. Также мы можем выслать этот товар Почтой России. Если размеры, вес товара HF-ZJ-09 алюминиевый монтажный кронштейн для актуатора TGE-1500N. или соображения удароустойчивости находятся в разрешённых Почтой России пределах.
Доставка может производиться различными по Вашему выбору способами. Это и самовывоз, и курьерские службы по г. Москве, и транспортные компании по России. Также мы можем выслать этот товар Почтой России. Если размеры, вес товара HF-ZJ-09 алюминиевый монтажный кронштейн для актуатора TGE-1500N. или соображения удароустойчивости находятся в разрешённых Почтой России пределах.





