Для Arduino: Платы, узлы, модули, шилды, наборы, конструкторы и книги ► WisLink LPWAN концентраторы и передатчики
Радиодетали почтой ► Общая для неразобранного по категориям товара
RAK2287-S3 Модуль GPS/LoRa-концентратор. Выполянет роль 8-канального шлюза в сетях LPWAN.
Код товара: CTTL15258
Есть в наличии| 13140 c |
| 13140 c |
|
|
|
|
Модуль многоканального концентратора RAK2287 для сетей LPWAN собран на новом поколении радиочастотных сигнальных чипов Semtech SX1302. Выбранный производителем в качестве основы, чип SX1302 обрабатывает б?льший объём трафика, работает на пониженном энергопотреблении и имеет меньшее тепловыделение (в отличии от аналогов Semtech SX1301 и Semtech SX1308). Модуль RAK2287 предоставляет возможность быстрой и лёгкой интеграции полноценного аппаратного шлюза LPWAN не только в существующие модели маршрутизаторов, но и в любое другое сетевое оборудование, совместимое с технологией LoRa. RAK2287 спроектирован в современном компактном формате Mini PCIe, благодаря которому модуль может быть установлен в любые встраиваемые системы, оснащённые соответствующим слотом mini-PCIe, и поддерживающие обмен данными по последовательному периферийному интерфейсу SPI. В дополнение к главному LPWAN-функционалу, в схему RAK2287 добавлен чип приёмника U-blox ZOE-M8Q GPS, расширяющий возможности модуля функционалом глобального спутникового позиционирования GNSS.
Сетевой шлюз RAK2287 представляет из себя исключительное, полное и экономичное решение, предлагающее до 10 параллельных программируемых каналов демодуляции, 8 х 8-канальный детектор пакетов LoRa, 8х демодуляторов LoRa SF5-SF12 и 8х демодуляторов LoRa SF5-SF10. Он способен обнаруживать непрерывную комбинацию пакетов с 8 различными коэффициентами расширения спектра и 10 каналами с неразрывной демодуляцией до 16 пакетов. Модуль хорошо подходит для приложений Интернета вещей (IoT), требующих плотности узлов до 500 узлов на км? в среде с умеренными помехами.
Ключевые особенности
Технические характеристики
Комплектация
Внешний вид платы LoRa концентратора RAK2287
Дизайн компактного сетевого шлюза LPWAN RAK2287 предусматривает возможность интеграции модуля даже в такие системы, для которых собственные характеристики веса и размеров устройства крайне существенны. Благодаря стандарту PCI Express Mini Card, в котором произведён RAK2287, модуль может стать частью продуктов, допускающих использование карт толщиной 10,5 мм. Радиатор улучшает термические характеристики и способствует намного более стабильной работе RAK2287 в тяжёлых условиях. Плата имеет два интерфейса U.FL для внешних антенн LoRa и GNSS, и типовой 52-контактный разъём mPCIe.
Блок-схема
RAK2287 укомплектован одним чипом SX1302 и двумя SX1250. Первый чип работает с радиочастотным сигналом и одновременно является ядром устройства. В остальных реализованы модем LoRa и функции обработки. Встроенная дополнительная схема преобразования сигналов обеспечивает совместимость со стандартом PCI Express Mini Card.
Источник питания
Карта RAK2287 должна получать питание через контакты 3.3Vaux от источника постоянного тока. Напряжение должно быть стабильным, поскольку потребляемый ток может значительно меняться во время работы, в зависимости от профиля энергопотребления микросхемы SX1302.
Интерфейс SPI
В системном разъёме mPCIe платы RAK2287 разведены 4 линии последовательного периферийного интерфейса SPI (Host_SCK, Host_MISO, Host_MOSI, Host_CSN), который предоставляет доступ к конфигурационному регистру SX1302 с помощью синхронного полно-дуплексного протокола. Доступен только режим "Ведомого" (Slave).
Интерфейсы UART и I2C
Встроенная в RAK2287 микросхема ZOE-M8Q GPS обладает собственными последовательными интерфейсами UART и I2C, линии которых организуют прямой доступ к GPS-модулю, и также выведены на системный разъём mPCIe.
GPS_PPS
Карта RAK2287 содержит вход GPS_PPS для функции временн?й отметки принятых пакетов. Сигнал PPS не просто внутренне связан с чипом SX1302, но и выведен на разъём mPCIe, и может быть использован хост-стороной.
Функциональное назначение и расположение контактов шины mPCIe RAK2287
| Номер вывода | Вывод Mini PCIe Rev. 2.0 | Вывод RAK8213 | Тип вывода, описание | Примечание |
| 1 | WAKE# | SX1261_BUSY | Цифровой выход. По умолчанию не подключен | Зарезервирован для будущих функций |
| 2 | 3.3Vaux | 3V3 | Вход питания. Постоянное напряжение 3.3В | |
| 3 | COEX1 | SX1261_DIO1 | Цифровой вход/выход. По умолчанию не подключен | Зарезервирован для будущих функций |
| 4 | GND | GND | Общий вывод, заземление | |
| 5 | COEX2 | SX1261_DIO1 | Цифровой вход/выход. По умолчанию не подключен | Зарезервирован для будущих функций |
| 6 | 1.5V | GPIO[6] | Цифровой вход/выход | Соединён с выводом GPIO[6] чипа SX1302 |
| 7 | CLKREQ# | SX1261_NSS | Цифровой вход. По умолчанию не подключен | Зарезервирован для будущих функций |
| 8 | USIM_PWR | NC | Не подключен | |
| 9 | GND | GND | Общий вывод, заземление | |
| 10 | USIM_DATA | NC | Не подключен | |
| 11 | REFCLK- | SX1261_NRESET | Цифровой вход. По умолчанию не подключен | Зарезервирован для будущих функций |
| 12 | USIM_CLK | NC | Не подключен | |
| 13 | REFCLK+ | MCU_NRESET | Цифровой вход. По умолчанию не подключен | Зарезервирован для будущих функций |
| 14 | USIM_RESET | NC | Не подключен | |
| 15 | GND | GND | Общий вывод, заземление | |
| 16 | USIM_VPP | NC | Не подключен | |
| 17 | RESERVED | NC | Не подключен | |
| 18 | GND | GND | Общий вывод, заземление | |
| 19 | RESERVED | PPS | Цифровой выход. Временной импульс | Если не используется, остаётся открытым |
| 20 | W_DISABLE# | PI_W_DISABLE | Цифровой вход. Управление режимом "Полёт" | Домен питания 3.3В. По умолчанию подтянут к питанию. Сигнал низкого уровня - вход в режим полёта. Если не используется, остаётся открытым. |
| 21 | GND | GND | Общий вывод, заземление | |
| 22 | PERST# | SX1302_RESET | Цифровой вход. Сброс модуля RAK2287 | Сброс SX1302 сигналом высокого уровня продолжительность не менее 100мс |
| 23 | PERn0 | RESET_GPS | Цифровой вход. Сброс модуля ZOE-M8Q GPS | Сброс ZOE-M8Q GPS сигналом низкого уровня. Если не используется, остаётся открытым |
| 24 | 3.3Vaux | 3V3 | Вход питания. Постоянное напряжение 3.3В | |
| 25 | PERp0 | STANDBY_GPS | Цифровой вход. Вход внешнего прерывания модуля ZOE-M8Q GPS | Сигнал низкого уровня. Если не используется, остаётся открытым |
| 26 | GND | GND | Общий вывод, заземление | |
| 27 | GND | GND | Общий вывод, заземление | |
| 28 | 1.5V | NC | Не подключен | |
| 29 | GND | GND | Общий вывод, заземление | |
| 30 | SMB_CLK | I2C_SCL | Цифровой вход/выход. Хост SCL | Подключен к внутренней линии SCL модуля ZOE-M8Q GPS. Если не используется, остаётся открытым |
| 31 | PETn0 | PI_UART_TX | Цифровой вход. Хост UART_TX | Подключен к внутренней линии UART_TX модуля ZOE-M8Q GPS. Если не используется, остаётся открытым |
| 32 | SMB_DATA | I2C_SDA | Цифровой вход/выход. Хост SDA | Подключен к внутренней линии SDA модуля ZOE-M8Q GPS. Если не используется, остаётся открытым |
| 33 | PETp0 | PI_UART_RX | Цифровой выход. Хост UART_RX | Подключен к внутренней линии UART модуля ZOE-M8Q GPS. Если не используется, остаётся открытым |
| 34 | GND | GND | Общий вывод, заземление | |
| 35 | GND | GND | Общий вывод, заземление | |
| 36 | USB_D- | USB_DM | Цифровой вход/выход. Линия (-) дифференциальной пары USB | Требуемый дифференциальный импеданс 90 Ом |
| 37 | GND | GND | Общий вывод, заземление | |
| 38 | USB_D+ | USB_DP | Цифровой вход/выход. Линия (+) дифференциальной пары USB | Требуемый дифференциальный импеданс 90 Ом |
| 39 | 3.3Vaux | 3V3 | Вход питания. Постоянное напряжение 3.3В | |
| 40 | GND | GND | Общий вывод, заземление | |
| 41 | 3.3Vaux | 3V3 | Вход питания. Постоянное напряжение 3.3В | |
| 42 | LED_WWAN# | NC | Не подключен | |
| 43 | GND | GND | Общий вывод, заземление | |
| 44 | LED_WLAN# | NC | Не подключен | |
| 45 | RESERVED | HOST_SCK | Цифровой вход/выход. Хост SPI CLK | |
| 46 | LED_WPAN# | NC | Не подключен | |
| 47 | RESERVED | HOST_MISO | Цифровой вход/выход. Хост SPI MISO | |
| 48 | 1.5V | NC | Не подключен | |
| 49 | RESERVED | HOST_MOSI | Цифровой вход/выход. Хост SPI MOSI | |
| 50 | GND | GND | Общий вывод, заземление | |
| 51 | RESERVED | HOST_CSN | Цифровой вход/выход. Хост SPI CS | |
| 52 | 3.3Vaux | 3V3 | Вход питания. Постоянное напряжение 3.3В |
Физические размеры, мм
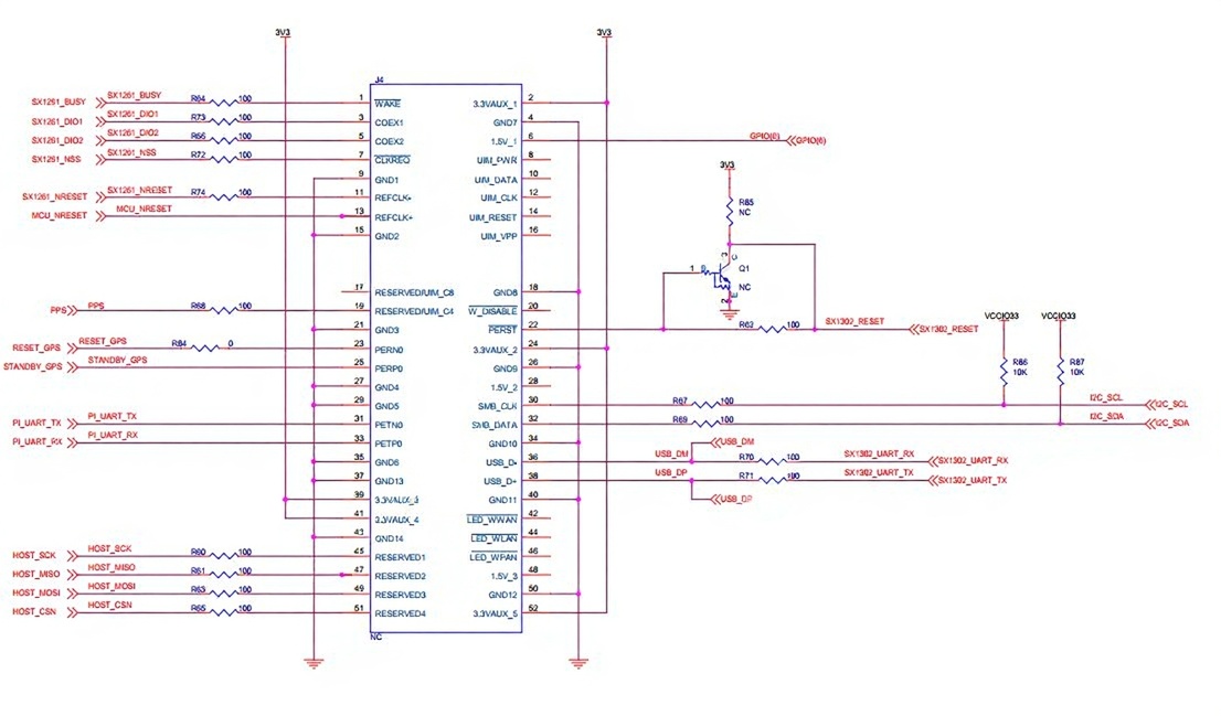
Принципиальная схема
Концентратор RAK2287 основан на эталонном дизайне Semtech для чипа SX1302, показана минимальная схема применения модуля. Модуль работает от источника постоянного напряжения с характеристиками не менее 3.3В / 1А. Интерфейс SPI должен присутствовать в разъёме PCIe и быть подключен к управляющему процессору.
Фирменное программное обеспечение
- RAK2287_on_Raspbian_OS_V4.2.5_20200909 (архив .ZIP);
Документация
Полезные ссылки
- Официальная страница руководства по настройке WisLink RAK2287 на платформе Raspberry Pi;
- Репозиторий исходников RAK2287 + Raspberry Pi;
------------------
СЕЕД15258:13140
Доставка может производиться различными по Вашему выбору способами. Это и самовывоз, и курьерские службы по г. Москве, и транспортные компании по России. Также мы можем выслать этот товар Почтой России. Если размеры, вес товара RAK2287-S3 Модуль GPS/LoRa-концентратор. Выполянет роль 8-канального шлюза в сетях LPWAN. или соображения удароустойчивости находятся в разрешённых Почтой России пределах.





