SIM7020C модуль беспроводной передачи данных по стандарту NB-Iot через SIM карту мобильной связи
Код товара: CTTL14936
Есть в наличии| 1760 c |
| 1760 c |
|
|
|
|
Мультидиапазонный GSM-модуль SIM7020C сотовой связи 4G/LTE для узкополосных сетей Интернета вещей NB IoT
Компактный модуль SIM7020С предлагает простую интеграцию современной, быстроразвивающейся технологии NB-IoT, являющейся одной из трёх спецификаций основного стандарта IoT. SIM7020C работает в четырёх частотных диапазонах и помогает организовать подключение самых разных промышленных или бытовых автономных устройств, расходующих крайне малый объём данных для межмашинного обмена информацией (М2М), к цифровым сетям беспроводной сотовой связи, построенных на базе оборудования 4G LTE или GSM. Модуль SIM7020C поддерживает эффективные режимы энергосбережения (PSM) и расширенный режим прерывистой связи (eDRX), позволяющие экономно расходовать ресурсы резервной батареи, увеличивая продолжительность срока её службы до десяти лет.
Технические характеристики
Назначение контактов модуля SIM7020C
Группа 1:
- Вход/выход М- — Контакт общего назначения GPIO0 SIM7020C, перед включением питания модуля не должен быть стянут на землю;;
- Выход M+ — Исходящее напряжение 3.3 В / 50 мА для питания внешних схем, недоступное в режиме энергосбережения (PSM);;
- Вход S- — Пробуждение из режима энергосбережения (PSM) при получении внешнего прерывания, низкоуровневый сигнал. Принадлежит домену реального времени с питанием от автономного источника;;
- Выход S+ — Индикатор получения внешнего прерывания, высокоуровневый сигнал в режиме энергосбережения (PSM). Принадлежит домену реального времени с питанием от автономного источника;;
- Вход RTC — Аварийный перезапуск (Reset) SIM7020C, низкоуровневый сигнал.;
- Вход VIN — Питание модуля, положительная сторона напряжения +3.7 ~ +18 В;;
- Вход GND — Питание модуля, общий контакт;;
- Выход TXD — Передача данных по UART1;;
- Вход RXD — Приём данных по UART1;;
- Вход PEN — Управление схемой питания модуля, активация встроенного регулятора JW5033S, высокоуровневый сигнал включения;;
- Выход NET — Индикатор состояния сетевого подключения,;
- Вход DTR — Сигнал готовности к приёму, пробуждение из режима сна (Sleep mode), низкоуровневый сигнал.;
- Вход VBT — Питание модуля, внешний резервный источник, литиевая батарея;;
- Вход GND — Питание модуля, общий контакт;;
- Выход VEX — Исходящее напряжение 1.8 В / 50 мА для питания внешних схем, недоступное в режиме энергосбережения (PSM);;
- Выход STA — Индикатор рабочего состояния SIM7020C, высокоуровневый сигнал. указывает на готовность ПО, низкоуровневый сигнал извещает об отсутствии питания;;
- Выход RI — Сигнал вызова UART1, индикатор внутреннего прерывания, низкоуровневый сигнал. Извещает о получении СМС или о незапрашиваемом коде результата, продолжительность 120 мсек.;
Группа 2:
Группа 3:
Подключение к контроллеру Ардуино
Изучить технические особенности SIM7020C, протестировать его возможности или предварительно подготовить к эксплуатации в конструкциях законченных приложений, можно прибегнув к проводному подключению с персональным компьютером. Понадобиться подходящий преобразователь USB-UART TTL и программа-терминал последовательного COM-порта. За неимением преобразователя, его место может занять контроллер из семейства плат Ардуино, ESP, Teensy, PyCom, Raspberry Pi или других вычислительных микросхем с 3.3-вольтовой логикой. Монитор последовательного порта редактора Arduino IDE отлично справится с выводом информации на экран ПК. Среди обширного списка плат Ардуино, далеко не последнее место занимает модель DUE с соответствующим уровнем логики и сразу несколькими аппаратными интерфейсами UART, не требующих предварительной конфигурации.
В таблице приведена минимальная схема проводного соединения 4G/LTE-модуля NB IoT с контроллером Ардуино DUE. Остальные контакты остаются в свободном (подвешенном) состоянии или задействуются в случае необходимости:
| Контакты Arduino DUE | Контакты SIM7020C |
| 5V | VIN |
| GND | GND |
| RX1/19 | TX |
| TX1/18 | RX |
| 3V3 / любой цифровой вывод | PEN |
Скетч, прошитый в память Ардуино DUE, образует простой мост и переадресует входящие/исходящие данные между двумя собственными шинами UART0 / UART1.
void setup() {
// Цифровой вывод 2 платы DUE подключен к контакту PEN SIM7020C
pinMode(2, OUTPUT);
// Получаем доступ к шине UART модуля SIM7020C
digitalWrite(2, HIGH);
// Устанавливаем скорость UART
Serial.begin(115200);
Serial1.begin(115200);
}
void loop() {
// Перенаправляем данные между двумя UART, если они появляются
if (Serial1.available()) {
Serial.write(Serial1.read());
}
if (Serial.available()) {
Serial1.write(Serial.read());
}
}
Последовательный интерфейс UART в модуле SIM7020C
Из двух существующих аппаратных последовательных интерфейсов асинхронной передачи данных в модуле SIM7020C, на внешние контакты разведён только нуль-модемный UART1, а также пара линии управления DTR и RI. В цепочке между пользовательскими контактами UART1 и входами чипа SIM7020С присутствуют развязки из транзисторных ключей, открывающие или закрывающие доступ с шине данных, и контролируемые логическим импульсом вывода PEN. Не смотря на то, что ядро SIM7020C работает на основном напряжении 1.8 В, выводы приёма данных RX и передачи данных TX интерфейса UART1 оснащены двумя независимыми схемами сопряжения сигналов с 3.3-вольтовой логикой, предоставляющие возможность безболезненно подключаться к распространённым управляющим микроконтроллерам с однотипным уровнем логических сигналов. Скорость связи UART1 по умолчанию составляет 115200 кбод (кбит/с).
Управление модулем SIM7020C
Аналогично общеизвестным классическим модулям беспроводной связи WiFi, Bluetooth или GPS/GPRS-навигации, любое пользовательское приложение общается с SIM7020C посредством специализированных цифро-символьных модемных команд, передаваемых через шину UART. Команды носят название "АТ команды". В подавляющем большинстве, их полное название образуется из обязательной вступительной аббревиатуры АТ+ и условного буквенного сокращения, соответствующего предопределённому действию (в вонце команды может стоять перечисление параметров для изменения настроек. АТ команды способны по-разному реагировать на удачно выполненное действие, возвращают простое подтверждение или выдают какие-нибудь результаты. Самая простая двухсимвольная команда "АТ" отвечает в последовательный порт "ОК". Тестовая команда "АТ" позволяет убедиться в правильном подключении и работоспособности модуля. Полный набор АТ команд с подробным описанием, поддерживаемых программным обеспечением чипа SIM7020C, располагается в разделе технической документации.
Пример отображения списка доступных провайдеров сотовой связи
AT
OK
AT+COPS=?
+COPS: (1,"Bee Line GSM","BeeLine","25099",9),(3,"MegaFon","MegaFon","25002",9),(3,"MTS","MTS","25001",9),,(0-4),(0-2)
OK
Резервное питание SIM7020C
Источником резервного питания должна служить перезаряжаемая аккумуляторная батарея с напряжением в диапазоне 2.1 ~ 3.6 В и током не менее 500мА, подключаемая к контактам VBAT+GND. Выход встроенного DC-DC регулятора и вывод VBAT внешнего автономного питания в модуле SIM7020C объединены. Поэтому, в целях избежания преждевременных повреждений, использование одноразовых батарей не рекомендуется.
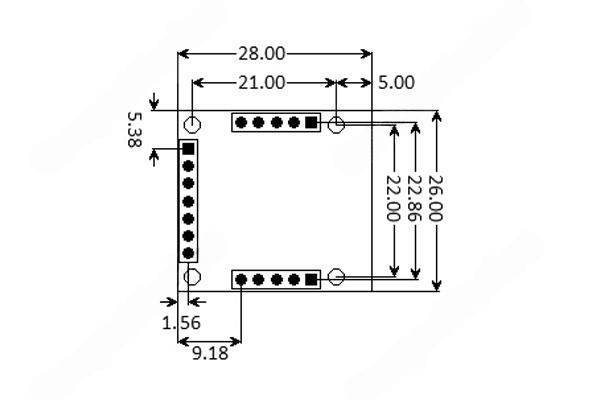
Физические размеры модуля SIM7020C, мм
Техническая документация
- АТ команды чипов серии SIM7020 v1.02 (англ., PDF);
- Аппаратный дизайн SIM7020 (англ., PDF);
- Регулятор напряжения JW5033S (англ., PDF);
- Диодная матрица TVS SRV05-4 (англ., PDF);
Полезные ссылки
- Полный перечень дизайнерской документации SIM7020C;
------------------
СЕЕД14936:1760
Доставка может производиться различными по Вашему выбору способами. Это и самовывоз, и курьерские службы по г. Москве, и транспортные компании по России. Также мы можем выслать этот товар Почтой России. Если размеры, вес товара SIM7020C модуль беспроводной передачи данных по стандарту NB-Iot через SIM карту мобильной связи или соображения удароустойчивости находятся в разрешённых Почтой России пределах.





