Линейный актуатор TGF-2500N с ходом поршня 200мм
Код товара: CTTL10939
Есть в наличии| 8670 c |
| 8670 c |
|
|
|
|
Линейный привод (актуатор) TGF-2500N, 200мм, 12В
Технические характеристики
Применение
Линейные приводы (актуаторы) широко используются в домашних устройствах управления положением освещения, открытия и закрытия окон или дверей, мебельных створок, в выдвигающихся и убирающихся конструкциях и т.д. Актуаторы находят активное применение в промышленном автоматическом оборудовании: механические дорожные шлагбаумы, гаражные створки и ворота, малогабаритные подъёмные устройства и краны. Актуаторы нередко встречаются в автомобильной сфере в качестве механизмов, осуществляющих открытие дверей багажных или моторных отсеков. К их помощи прибегают в разработке робототехники или в создании самодельных электронных механизмов.
Конструкция
Актуатор - универсальное исполнительное устройство, управляемое устройствами контроля. Оно преобразует механическую энергию в линейное перемещение.
Коллекторный (щёточный) мотор постоянного напряжения соединён с направляющей осью при помощи редуктора, представляющего из себя шестерёнчатый механизм. Редуктор влияет на изменение соотношения крутящего момента и скорости вращения между мотором и направляющей осью, снижая скорость перемещения штока (поршня) актуатора и обеспечивая необходимое усилие.
Выдвижной/втягивающий шток приводится в действие с использованием передачи "винт-гайка". При этом "гайка" неподвижно соединена со штоком, и установлена на винтовую направляющую ось. Вращение оси против или по часовой стрелке вызывает линейное движение штока по всей доступной длине (рабочей области).
Пример конструкции линейного актуатора
Управление
Выдвижение или втягивание поршня (штока) достигается сменой направления вращения винтовой оси. Для этого достаточно просто изменить полярность питающего напряжения коллекторного мотора, поменяв местами подключенные к контактам двигателя провода питания. Можно автоматизировать процесс контроля, применив в качестве управления релейные модули или аналогичные автоматические переключатели.
Рабочий цикл
Под рабочим циклом подразумевается доля времени безостановочной работы актуатора от общей продолжительности полного цикла, также именуемая коэффициентом нагрузки актуатора. В большинстве случаев, коэффициент универсальных актуаторов варьируется от 10 до 25 процентов. Показатель рабочего цикла равный 10% означает, что актуатор способен непрерывно проработать в течение 1 минуты из каждых 10.
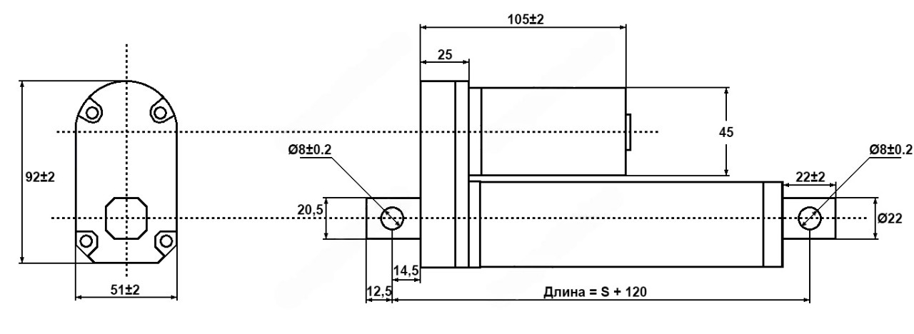
Физические размеры, мм
S = длина штока (зависит от модели): 50, 100, 150, 200, 250 или 300мм
------------------
СЕЕД10939:8670
Доставка может производиться различными по Вашему выбору способами. Это и самовывоз, и курьерские службы по г. Москве, и транспортные компании по России. Также мы можем выслать этот товар Почтой России. Если размеры, вес товара Линейный актуатор TGF-2500N с ходом поршня 200мм или соображения удароустойчивости находятся в разрешённых Почтой России пределах.





