Мотор с редуктором 80KTYZ 50 об/мин 220В
Код товара: CTTL15582
Есть в наличии| 4460 c |
| 4460 c |
|
|
|
|
Синхронные мотор-редукторы серии 80KTYZ применяются в пеллетных котлах, в различных системах автоматизации, мини-транспортерах, поворотных подиумах, стендах и витринах, в лабораторном оборудовании, в оборудовании для анализа нефти. Синхронные двигатели простые по конструкции и недорогие.
Технические характеристики:
Схема подключения через соединительную клемму, с выбором направления вращения вала
Мотор-редуктор имеет две индуктивные обмотки с выводами красный-чёрный и зелёный-черный. Для запуска ротора мотора, между его двумя обмотками ставится обязательный фазосдвигающий конденсатор. Одна линия электросети 220В (N) переменного тока подключается одновременно к двум черным проводам мотора, вторая линия 220В (L) - либо к красному проводу (вращение вала по часовой стрелке, CW), либо к зеленому (вращение вала против часовой стрелки, CCW).
Обратите внимание! Мотор-редуктор KTYZ может быть не укомплектован соединительной клеммой.
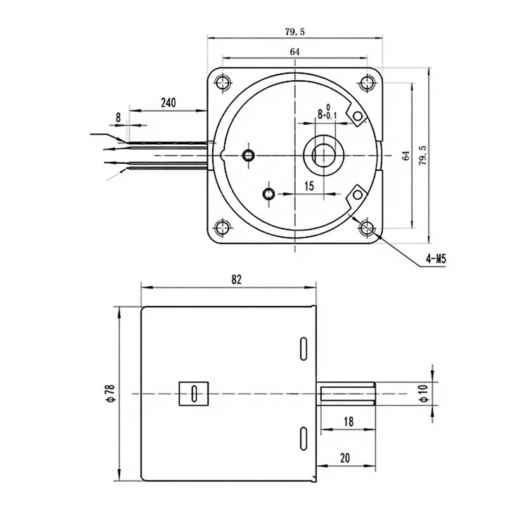
Размеры двигателя, мм
------------------
СЕЕД15582:4460
Доставка может производиться различными по Вашему выбору способами. Это и самовывоз, и курьерские службы по г. Москве, и транспортные компании по России. Также мы можем выслать этот товар Почтой России. Если размеры, вес товара Мотор с редуктором 80KTYZ 50 об/мин 220В или соображения удароустойчивости находятся в разрешённых Почтой России пределах.





