WisBlock Wireless RAK13300 Модуль LoRa LPWAN EU868
Код товара: CTTL15861
Есть в наличии| 1590 c |
| 1590 c |
|
|
|
|
RAK13300 WisBlock Wireless LPWAN EU8686 LoRa (WisBlock IO) входит в серию продуктов модульного конструирования цифровой платформы WisBlock, ориентированной на создание сверхкомпактного электронного оборудования. Этот модуль содержит субгигагерцевый радиочастотный приёмопередатчик LoRa, основанный на самом современном варианте чипа Semtech SX1262, и позволяет интегрировать мощный РЧ-интерфейс с ультрамалым энергопотреблением в системы WisBlock с ядром WisCore без встроенного чипа LoRa (например, WiFi/BT-BLE модуль RAK11200). WisBlock RAK13300 Wireless соответствует стандартам LoRaWAN, и может транслировать радиосигналы на увеличенные расстояния — до 2 км в городе, до 10 км на открытой местности, выгодно отличаясь от других технологий. Модуль беспроводной связи RAK13300 Wireless способен выполнять модуляцию/демодулирование сигналов LoRa на частоте 868 МГц Европейского региона EU868, поддерживает активацию LoRaWAN через OTAA/ABP и двухточечную связь LoRa. RAK13300 может легко подключаться к различным серверным платформам LoRaWAN, таким как TheThingsNetwork (TTN), Chirpstack, Actility и так далее. Простой в использовании, компактный и высокопроизводительный, модуль RAK13300 LoRaWAN SX1262 предназначен для широкого круга приложений индустриального и промышленного секторов IoT.
Технические характеристики модуля
Комплектация
Внешний вид и расположение компонентов RAK13300
Определение выводов 40-контактного многоканального коннектора
Образец монтажа
Модуль RAK13300 спроектирован для совмещения с любыми базовыми платами платформы WisBlock, будь-то полноформатная RAK5005-O или миниатюрная RAK19003 Mini. На лицевой стороне RAK13300 и прочих съёмных модулей WisBlock присутствует шелкографическая метка, указывающая на область приложения механического усилия для безопасного извлечения модуля из разъёма. Эта метка находится рядом с коннектором.
На изображении показан способ крепления RAK13300 к верхней стороне RAK5005-O.
| Примечание. Установку, извлечение, или замену одного модуля WisBlock на другой, следует выполнять после отключения питающего напряжения. Рекомендуется фиксировать плату винтами для надёжности соединения в окружении с вибрацией. |
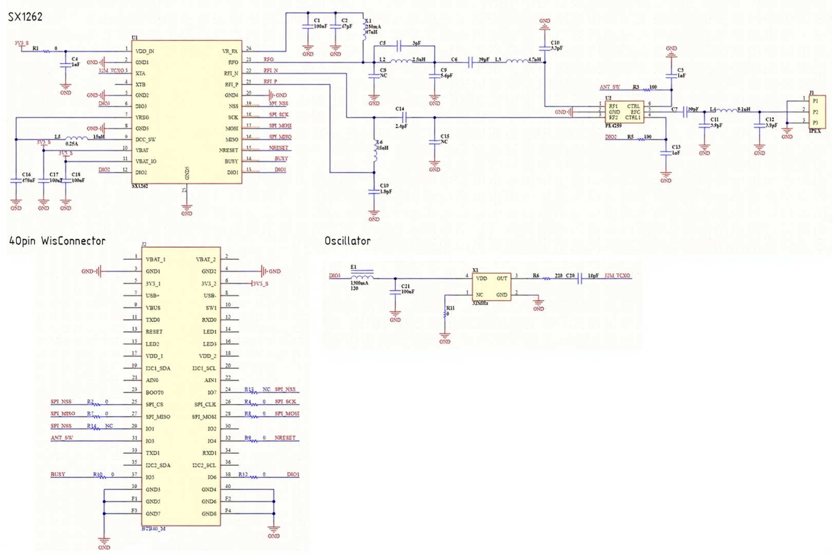
Принципиальная схема модуля RAK13300 WisBlock LPWAN LoRa EU868
Физические размеры, мм
Техническая документация
- Спецификация LoRa-контроллера Semtech SX1261/2 (англ., PDF, Datasheet);
- Характеристики коннекторов FBB (.PNG);
Полезные ссылки
- Краткое руководство пользователя модулем RAK13300 LoRaWAN EU868 WisBlock Wireless;
- Репозиторий исходного кода WisBlock на сайте GitHub;
- Краткое руководство пользователя системы WisBlock;
- Инструкция по созданию индивидуальных модулей WisBlock IO;
------------------
СЕЕД15861:1590
Доставка может производиться различными по Вашему выбору способами. Это и самовывоз, и курьерские службы по г. Москве, и транспортные компании по России. Также мы можем выслать этот товар Почтой России. Если размеры, вес товара WisBlock Wireless RAK13300 Модуль LoRa LPWAN EU868 или соображения удароустойчивости находятся в разрешённых Почтой России пределах.





