WisBlock Wireless RAK13600 NFC Считыватель карт MIFARE/FeliCa. Поддерживает стандарты чтения/записи ISO14443A/MIFARE, ISO14443B, ISO14443C FeliCa (Sony), NFCIP-1. Макс.расстояние 100мм.
Код товара: CTTL15862
Есть в наличии| 3300 c |
| 3300 c |
|
|
|
|
Беспроводной модуль RAK13600 WisBlock Wireless NFC Reader входит в серию продуктов модульного конструирования WisBlock, ориентированную на создание сверхкомпактного электронного оборудования, и расширяет существующую элементную базу аппаратных возможностей цифровой платформы. Модуль WisBlock Wireless RAK13600 NFC Reader — это модуль связи ближнего действия (NFC - сокр.англ.: Near Field Communication), основанный на микросхеме NXP PN532. Высокоинтегрированный модуль для ближней бесконтактной коммуникации базируется на ЦПУ-архитектуре 80С51. RAK13600 содержит интегрированный микроконтроллер, и способен с частотой 13.56МГц транслировать сигналы на расстоянии вплоть до 10 см. Модуль NFC RAK13600 позволяет считывать и записывать метки NFC в различных форматах, передавать и принимать по разным протоколам информацию из совместимых устройств. К таким устройствам относятся карты бесконтаткного пассивного действия RFID, а также всевозможные гаджеты со встроенной поддержкой NFC. Реализованный в модуле RAK13600 cтандарт ISO/IEC14443 активно применяется для личностной аутентификации в системах визовой паспортизации, успешно зарекомендовал себя на рынке платёжных средств, в системах быстрых платежей.
Поддерживаемые стандарты NFC
Технические характеристики
Комплектация
Внешний вид, расположение компонентов RAK13600
Назначение выводов 40-контактоного разъёма RAK13600
Образец монтажа
Модуль RAK13600 спроектирован для установки в слот любой базовой платы платформы WisBlock, кроме миниатюрной RAK19003 Mini без порта WisIO. На лицевой стороне RAK13600 и прочих съёмных модулей WisBlock присутствует шелкографическая метка, указывающая на область приложения механического усилия для безопасного извлечения модуля из разъёма. Эта метка находится рядом с коннектором.
На изображении показан способ крепления RAK13600 к верхней стороне RAK5005-O.
| Примечание. Установку, извлечение, или замену одного модуля WisBlock на другой, следует выполнять после отключения питающего напряжения. Рекомендуется фиксировать плату винтами для надёжности соединения в окружении с вибрацией. |
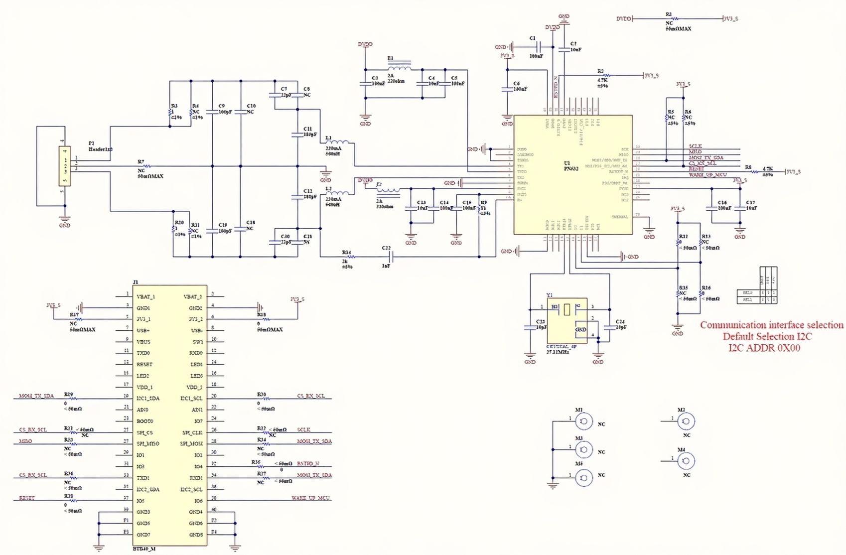
Электрическая принципиальная схема модуля RAK13600 NFC Reader WisBlock Wireless
Физические размеры, мм
Техническая документация
- Спецификация NFC RFID PN532 NXP (англ., даташит, PDF);
- Спецификация антенны NFC W7000ХХХ Pulse (англ., даташит, PDF);
- Характеристики коннекторов FBB (.PNG);
Полезные ссылки
- Краткое руководство пользователя модулем RAK13600 NFC Reader WisBlock Wireless;
- Репозиторий исходного кода WisBlock на сайте GitHub;
- Краткое руководство пользователя системы WisBlock;
- Инструкция по созданию индивидуальных модулей WisBlock IO;
------------------
СЕЕД15862:3300
Доставка может производиться различными по Вашему выбору способами. Это и самовывоз, и курьерские службы по г. Москве, и транспортные компании по России. Также мы можем выслать этот товар Почтой России. Если размеры, вес товара WisBlock Wireless RAK13600 NFC Считыватель карт MIFARE/FeliCa. Поддерживает стандарты чтения/записи ISO14443A/MIFARE, ISO14443B, ISO14443C FeliCa (Sony), NFCIP-1. Макс.расстояние 100мм. или соображения удароустойчивости находятся в разрешённых Почтой России пределах.





