WisBlock Sensor RAK12035/RAK12023 Датчик влажности почвы Atmel ATTINY441 / Адаптер WisIO. Интерфейс I2C.
Код товара: CTTL15865
Есть в наличии| 2350 c |
| 2350 c |
|
|
|
|
Технические характеристики
WisBlock Датчик влажности почвы RAK12035
WisBlock Sensor Модуль адаптера RAK12023
Датчик измерения влажности почвы WisBlock Soil Moisture Senosor входит в серию продуктов модульного конструирования цифровой программируемой платформы WisBlock, ориентированной на создание быстрособираемых систем сверхкомпактного электронного оборудования с низким энергопотреблением, обладающих возможностью последующей модернизации с применением метода произвольного реконфигурирования аппаратной или программной части. Платформа WisBlock уверенно демонстрирует себя надёжной и одновременно низкозатратной опорой для лёгкого, быстрого, и качественного решения множества задач в области развития и интеграции современных IoT-технологий. Поддерживаемая разработчиками и мировым сообществом, платформа имеет внушительный спектр функциональности, и прекрасно подходит для воспроизводства различных устройств от единичного количества до серийных масштабов. Полностью открытая для изучения, платформа WisBlock предоставляет возможности проектирования и встраивания индивидуальных модулей. Среди прочих выгодных достоинств, платформа WisBlock располагает управляемой системой питания, определяющей наиболее эффективное расходование энергоресурсов автономных приложений.
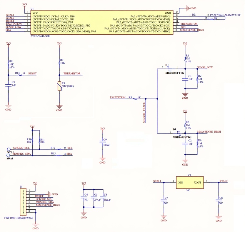
Ёмкостный датчик измерения влажности RAK12035 построен на микроконтроллере ATTINY441-SSU. Главный чип датчика соединён со встроенными в зонд чувствительными электродами, полностью изолированными от прямого контакта с почвой. Изоляция служит защитой от возникновения коррозии, продлевающей срок службы датчика. Меняющий свою ёмкость относительно степени влажности окружающей почвы, измерительный контур зонда формирует аналоговый сигнал с разным уровнем напряжения. Сигнал на входе ATTINY441-SSU считывается внутренним АЦП и преобразуется в пропорциональное значение, основанное от двух эталонных величин при 0% и 100% влажности, записанных в постоянной памяти чипа RAK12035 на этапе предварительно проведённого калибровочного теста. Этим свойством датчик влажности WisBlock Sensor заметно отличается от других аналогов, не требует повторной калибровки при каждом новом использовании, не расходует ресурсы приложения для хранения персональных калибровочных данных.
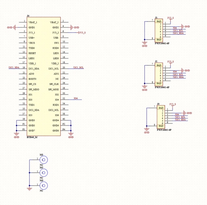
Датчик влажности почвы RAK12035 имеет удобный, универсальный цифровой интерфейс I2C, и комплектуется расширяющим модулем-адаптером RAK12023 с тремя одинаковыми портами подключения J1, J2, J3. Адаптер RAK12023 пристыковывается к базовым платам платформы WisBlock через коннектор WisIO. Программное обеспечение позволяет получать от датчика информацию в форме текущего значения ёмкости, процента влажности, и температуры грунта. А также калибровать его и переназначать адреса в шине I2C. Длина кабеля датчика RAK12035 составляет около полутора метров, рекомендованная глубина погружения зонда в грунт — от 37 до 62 мм.
Функциональное определение выводов 40-контактного разъёма модуля RAK12023
Образец монтажа
Модуль RAK12023 спроектирован для установки в слот любой базовой платы платформы WisBlock, кроме миниатюрной RAK19003 Mini без порта WisIO. Прямое подключение платы адаптера RAK12023 к 40-контактному разъёму WisIO базовой платы WisBase не во всех случаях может оказаться эффективным с точки зрения конструирования конечного варианта WisBlock-приложения. Модуль легко присоединяется к базовой плате с помощью 120-миллиметрового плоского гибкого печатного шлейфа (RAK19008), когда требуется нетиповое соединение основных компонентов.
На лицевой стороне RAK12023 и прочих съёмных модулей WisBlock присутствует шелкографическая метка, указывающая на область приложения механического усилия для безопасного извлечения модуля из разъёма. Эта метка находится рядом с коннектором.
На изображении показан способ крепления RAK12023 к верхней стороне RAK5005-O.
| Примечание. Установку, извлечение, или замену одного модуля WisBlock на другой, следует выполнять после отключения питающего напряжения. Рекомендуется фиксировать плату винтами для надёжности соединения в окружении с вибрацией. |
Электрическая принципиальная схема датчика владности почвы
Модуль адаптера RAK12023
Модуль датчика влажности почвы RAK12035 Soil Moisture Sensor
Физические размеры, мм
Модуль адаптера RAK12023
Модуль датчика влажности почвы RAK12035 Soil Moisture Sensor
Программное обеспечение
- Примеры программирования датчика влажности почвы RAK12035;
- Совместимая с Arduino IDE библиотека RAK12035_SoilMoisture;
Техническая документация
- Краткое руководство пользователя модуля датчика влажности почвы RAK12035 WisBlock Sensor;
- Краткое руководство пользователя модуля WisIO-адаптера RAK12023 WisBlock;
- Характеристики коннекторов FBB (.PNG);
Полезные ссылки
- Репозиторий исходного кода WisBlock на сайте GitHub;
- Краткое руководство пользователя системы WisBlock;
- Руководство по дизайну индивидуальных сенсорных WisIO модулей;
------------------
СЕЕД15865:2350
Доставка может производиться различными по Вашему выбору способами. Это и самовывоз, и курьерские службы по г. Москве, и транспортные компании по России. Также мы можем выслать этот товар Почтой России. Если размеры, вес товара WisBlock Sensor RAK12035/RAK12023 Датчик влажности почвы Atmel ATTINY441 / Адаптер WisIO. Интерфейс I2C. или соображения удароустойчивости находятся в разрешённых Почтой России пределах.





