WisBlock Interface RAK14013/RAK14007 Джойстик ATTINY441-SSU 2 оси+5 кнопок
Код товара: CTTL15877
Есть в наличии| 970 c |
| 970 c |
|
|
|
|
Технические характеристики
Комплектация
Создание устройств из многофункциональных компонентов мощной цифровой платформы WIsBlock, включающих в себя простой, одновременно интуитивно-понятный человеко-машинный интерфейс, возможно благодаря новому модулю RAK14013 Joystick WisBlock Interface. Модуль интерфейса ручного управления используется для прямого ввода информации в WisBlock-приложение, которая в большинстве случаев определяется программным обеспечением отправной точкой для запуска некоего процесса, выполнения каго-либо запрограммированого действия. Джойстик RAK14013 WisBlock может с успехом применяться при разработке и производстве интегрируемых или независимых узлов управления всевозможным бытовым или промышленным оборудованием, встраиваться в существующие системы передвижных или стационарных установок и приборов.
На плате джойстика расположены четыре обычные тактильные кнопки и 2-осевой поворотный аналоговый стик с функцией нажатия. Пластиковый колпачок джойстика обладает прорезиненной поверхностью для лучшего физического котнакта с пальцами человеческой руки. Модуль RAK14013 основан на микроконтроллере Atmel ATTINY441-SSU, с записаной в его внутреннюю память фирменной прошивкой. Встроенный контроллер возлагает на себя обязанности по самостоятельному отслеживанию актуальных состояний и обработке возникающих событий для всех представленных на плате элементов управления, и освобождает ресурсы главного вычислительного блока WisBlock Core для других задач. Аналоговые значения напряжения, соответствующие углам осевого отклонения механизма джойстика, преобразовываются ATTINY в диапазон цифровых представлений 0-1024. Информация между джойстиком и другими частями WisBlock-устройства передаётся через шину высокоскоростного последовательного интерфейса I2C/IIC.
Преимущества выбора IoT платформы WisBlock
Цифровая программируемая платформа модульного конструирования WisBlock состоит из нескольких серий интегрируемых продуктов: WisBase, WisCore, WisSesnor, WisInterface, WisWireless, и др. Она ориентирована на создание быстрособираемых систем сверхкомпактного электронного оборудования с низким энергопотреблением, обладающих возможностью последующей модернизации с применением метода произвольного реконфигурирования аппаратной или программной части. Платформа WisBlock уверенно демонстрирует себя надёжной и одновременно низкозатратной опорой для лёгкого, быстрого, и качественного решения множества задач в области развития и внедрения современных IoT-технологий.
Поддерживаемая разработчиками и мировым сообществом, платформа имеет внушительный спектр функциональности, и прекрасно подходит для воспроизводства различных устройств от единичного количества до серийных масштабов. Полностью открытая для изучения, платформа WisBlock предоставляет возможности проектирования и встраивания индивидуальных изготовленных модулей. Среди прочих выгодных достоинств, платформа WisBlock располагает управляемой системой питания, определяющей наиболее эффективное расходование энергоресурсов автономных приложений. Модульная система WisBlock охватывает популярные стандарты беспроводной радиопередачи на короткие и длинные расстояния, а также всецело совместима с облачными технологиями.
Функциональное определение 40-контактного соединительного разъёма RAK14013/RAK14007
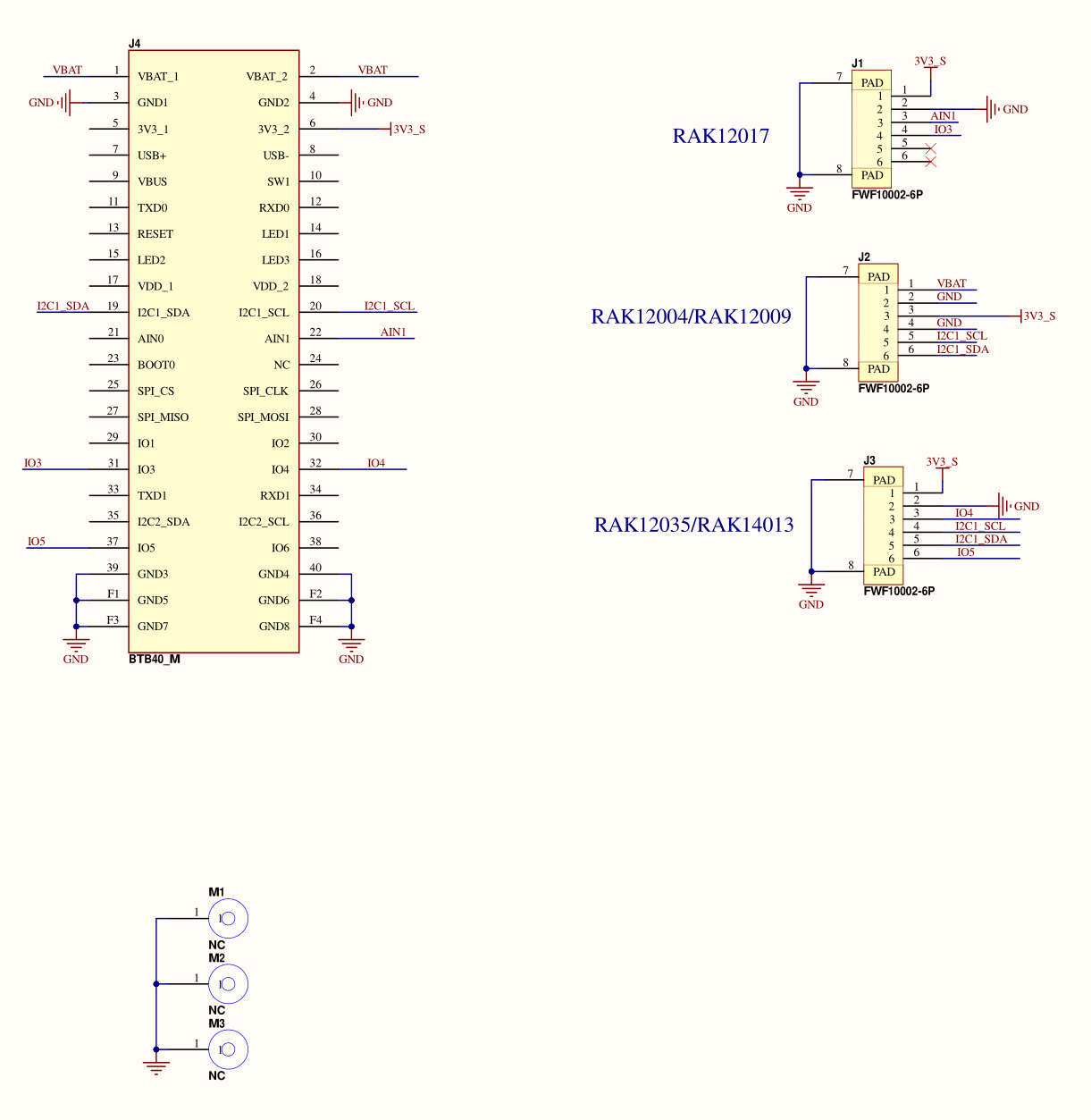
Важно! Модуль интерфейса с цифровым джойстиком WsiBlock RAK14013 комплектуется универсальной платой-адаптером RAK14007 с тремя портами J1, J2 и J3. Все порты WisIO-адаптера имеют внешне одинаковые 6-выводные разъёмы, отличающиеся друг от друга схемой внутреннего подключения (см.принципиальную схему RAK14007 ниже). Порты J1 и J2 предназначены для RAK12017 и RAK12004/RAK12009 соответственно. Присоединение платы с джойстиком RAK14013 (либо с датчиком RAK12035) возможно только к порту J3, с использованием специального соединительного кабеля.
Интерфейс RAK14013 задействует следующие контакты:
Адрес обращения к модулю джойcтика RAK14013 WisBlock Interface в синхронной цифровой шине I2C — 0х21h по умолчанию.
Образец монтажа
Модуль RAK14013 WisBlock Joystick Interface разработан для подключения через плату-адаптер RAK14007 к 40-контактному слоту WisBlock IO любой базовой платы WisBlock Base, исключая миниатюрную модель RAK19003 Mini. Дополнительно для работы с модулем человека-машинного интерфейса потребуется процессорный блок WisBlock Core с интегрированным программируемым контроллером. На лицевой стороне RAK14007 и прочих модулей WisBlock присутствует шелкографическая метка, указывающая на область приложения механического усилия для безопасного извлечения модуля из разъёма. Находится метка рядом с коннектором WisConnector.
| Примечание. а) Рекомендуется винтовое крепление платы для надёжного соединения контактов WisBlock-разъёма, предотвращающее его расстыковку в условиях тряски или вибрации. б) Установку, извлечение, или замену одного модуля WisBlock на другой, следует выполнять после отключения питающего напряжения. |
Электрическая принципиальная схема
Модуль WisBlock Joystick Interface RAK14013
WisIO-адаптер RAK14007
Физические размеры, мм
Цифровой джойстик RAK14013 WisBlock Interface
Адаптер RAK14007 WisBlock WisIO
Программное обеспечение
- Примеры программирования модуля джойстика RAK14013 WisBlock Interface;
Техническая документация
- Краткое руководство пользователя модуля RAK14013 цифрового джойстика Atmel ATTINY441;
Полезные ссылки
- Репозиторий исходного кода WisBlock на сайте GitHub;
- Краткое руководство пользователя системы WisBlock;
- Руководство по дизайну индивидуальных сенсорных WisIO модулей;
------------------
СЕЕД15877:970
Доставка может производиться различными по Вашему выбору способами. Это и самовывоз, и курьерские службы по г. Москве, и транспортные компании по России. Также мы можем выслать этот товар Почтой России. Если размеры, вес товара WisBlock Interface RAK14013/RAK14007 Джойстик ATTINY441-SSU 2 оси+5 кнопок или соображения удароустойчивости находятся в разрешённых Почтой России пределах.





