WisBlock Interface RAK12018 Сканер линейных и двухмерных кодов LV3296 (штрих-кодов, QR-кодов и др.)
Код товара: CTTL15878
Есть в наличии| 14840 c |
| 14840 c |
|
|
|
|
Технические характеристки
Появившаяся несколько десятков лет тому назад, общественная идея создания глобальной системы персонализации и учёта в формате универсальных цифровых кодов успешно реализована во всём своём многогранном существовании. Как успела показать повсеместная практика, использование типовых идентификаторов в системе кодов позволяет добиваться высокой степени автоматизации в самых разнообразных потоковых процессах (например, торговый и складкой учёт, системы охраны, почтовые службы, библиотеки, и так далее). Первоначально одномерными линейными, а теперь уже и двухмерными кодами зашифровывается ключевая информация для любого физического или виртуального объекта. Выбранным стандартом кодировования определяются правила ориентации считывания и максимальный размер зашифрованной информации. Цифровые коды легко и быстро дешифруются специальными сканирующими устройствами, извлекающими вложенную в них первоисточником информацию.
Модуль сканера цифрового кода WisBlock Interface RAK12018 — это интерфейсный модуль WisBlock, способный выполнять сканирование одномерных или двухмерных кодов, и качественно декодировать зашифрованное содержание. На плате RAK12018 установлен миниатюрный автоматический сканер RAKINDA LV3296, работающий со штрих-кодами, QR-кодами, и другими стандартными кодами 1D/2D. Cканер распознаёт графические коды на бумаге, пластике, или экране смартфона/планшета, имеющие контрастность изображения не менее 25%, и расположенные прямо или под углом перед объективом считывателя на ближних дистанциях. В конструкции оптического сканера LV3296 нет лазера, используется безопасная для человеческого зрения светодиодная подсветка с рассеянным лучом, излучающая в красном диапазоне спектральных волн 625±10нм. Встроенный анализирующий процессор в паре с фотодатчиком прекрасно распознаёт штрихкоды и двухмерные коды в другом кроме красного цвете, даже с наличием небольших повреждений. Сканер LV3296 подключен к основной плате RAK12018 плоским гибким кабелем, который идеально подходит для различных конфигураций корпуса. Через последовательный интерфейс UART (линии RX/TX) производится текстовый вывод декодированных буквенных или числовых данных из считанного кода. Плата оснащена программируемым звуковым сигнализатором. Запуск процедуры сканирования доступен из кода приложения или кнопкой ручного триггера.
Преимущества выбора IoT платформы WisBlock
Цифровая программируемая платформа модульного конструирования WisBlock состоит из нескольких серий интегрируемых продуктов: WisBase, WisCore, WisSesnor, WisInterface, WisWireless, и др. Она ориентирована на создание быстрособираемых систем сверхкомпактного электронного оборудования с низким энергопотреблением, обладающих возможностью последующей модернизации с применением метода произвольного реконфигурирования аппаратной или программной части. Платформа WisBlock уверенно демонстрирует себя надёжной и одновременно низкозатратной опорой для лёгкого, быстрого, и качественного решения множества задач в области развития и внедрения современных IoT-технологий.
Поддерживаемая разработчиками и мировым сообществом, платформа имеет внушительный спектр функциональности, и прекрасно подходит для воспроизводства различных устройств от единичного количества до серийных масштабов. Полностью открытая для изучения, платформа WisBlock предоставляет возможности проектирования и встраивания индивидуальных изготовленных модулей. Среди прочих выгодных достоинств, платформа WisBlock располагает управляемой системой питания, определяющей наиболее эффективное расходование энергоресурсов автономных приложений. Модульная система WisBlock охватывает популярные стандарты беспроводной радиопередачи на короткие и длинные расстояния, а также всецело совместима с облачными технологиями.
Функциональное определение выводов 40-контактного соединительного разъёма модуля интерфейса WisBlock RAK12018 с 2D сканером линейных и двухмерных кодов LV3296
Модуль WisInterface RAK12018 оснащён 40-контактным соединительным разъёмом WisConnector, совместимым со слотом IO Slot базовой платы WisBlock Base. Интерфейс RAK12018 задействует следующие контакты:
Образец монтажа
Модуль RAK12018 спроектирован для установки в слот любой базовой платы WisBlock Base, кроме миниатюрной RAK19003 Mini без порта WisIO. Дополнительно для работы с модулем Ethernet-интерфейса потребуется процессорный блок WisBlock Core с интегрированным программируемым контроллером. На лицевой стороне RAK12018 и прочих съёмных модулей WisBlock присутствует шелкографическая метка, указывающая на область приложения механического усилия для безопасного извлечения модуля из разъёма. Эта метка находится рядом с коннектором.
На изображении показан способ крепления цифрового сканера RAK12018 к верхней стороне RAK5005-O.
| Примечание. а) Рекомендуется винтовое крепление платы для надёжного соединения контактов WisBlock-разъёма, предотвращающее его расстыковку в условиях тряски или вибрации. б) Установку, извлечение, или замену одного модуля WisBlock на другой, следует выполнять после отключения питающего напряжения. |
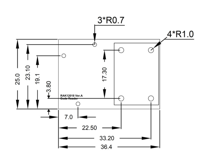
Физические размеры, мм
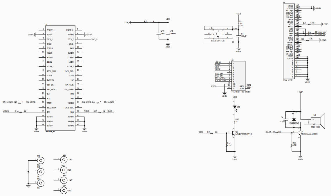
Электрическая принципиальная схема RAK12018 Code Scanner WisBlock Interface
Программное обеспечение
- Примеры программирования модуля сканера штрихкодов и QR кодов LV3296 RAKINDA;
Техническая документация
- Краткое руководство пользователя 2D-сканером RAK12018 WisBlock Interface;
- Инструкция со способами интеграции датчика LV3296 RAKINDA (англ., PDF);
- Руководство пользователя EM3296 Newland (примеч.: совместимость с LV3296 IOTC-0610 Newland не проверялась);
Полезные ссылки
- Репозиторий исходного кода WisBlock на сайте GitHub;
- Краткое руководство пользователя системы WisBlock;
- Руководство по дизайну индивидуальных сенсорных WisIO модулей;
------------------
СЕЕД15878:14840
Доставка может производиться различными по Вашему выбору способами. Это и самовывоз, и курьерские службы по г. Москве, и транспортные компании по России. Также мы можем выслать этот товар Почтой России. Если размеры, вес товара WisBlock Interface RAK12018 Сканер линейных и двухмерных кодов LV3296 (штрих-кодов, QR-кодов и др.) или соображения удароустойчивости находятся в разрешённых Почтой России пределах.





