RAK5146-225 WisLink Базовая станция LPWAN USB Non LBT GPS EU868 mPCIe
Код товара: CTTL16066
Есть в наличии| 13760 c |
| 13760 c |
|
|
|
|
Модуль многоканальной базовой станции RAK5146 для сетей LPWAN собран на обновлённом поколении радиочастотных сигнальных чипов Semtech SX1303. Выбранный производителем в качестве основы, чип SX1303, также как и предшественник SX1302, обрабатывает б?льший объём трафика, работает на пониженном энергопотреблении и имеет меньшее тепловыделение (в отличии от аналогов Semtech SX1301 и Semtech SX1308). Модуль RAK5146 предоставляет возможность быстрой и лёгкой интеграции полноценного аппаратного шлюза LPWAN не только в существующие модели маршрутизаторов, но и в любое другое сетевое оборудование, совместимое с технологией LoRa. RAK5146 спроектирован в современном компактном формате Mini PCIe, благодаря которому модуль может быть установлен в любые встраиваемые системы, оснащённые соответствующим слотом mini-PCIe, и поддерживающие обмен данными по универсальному последовательному интерфейсу USB. В дополнение к главному LPWAN-функционалу, в схему RAK5146 добавлен чип приёмника U-blox ZOE-M8Q GPS, расширяющий возможности модуля функционалом глобального спутникового позиционирования GNSS.
В чипе SX1303 используется механика адаптивного протокола LBT, Listen Before Talk (Transmit) - перед началом сеанса трансляции в нелицензионном диапазоне, параллельно с другими использующими его системами вещания WiFi или LTE, приёмопередатчик осуществляет поиск сетевого устройства и оценивает доступность каналов передачи, динамически подстраивая собственные сеансы связи под эфирную загруженность рабочей частоты. В радиочастотном процессоре SX1303 впервые реализована технология Fine Timestamp, раскрывающая новый подход к внутрисетевой геолокации узлов без применения энергопотребляющих GPS-приёмников. Fine Timestamp представляет алгоритм расчёта расстояния, с точностью до наносекунды (Time Difference of Arrival) основываясь на разнице во времени, возникающей в процессе пересылки пакетов информации между конечными терминалами и промежуточными базовыми станциями.
Сетевой шлюз RAK5146 представляет из себя исключительное, полное и экономичное решение, предлагающее до 10 параллельных программируемых каналов демодуляции, 8 х 8-канальный детектор пакетов LoRa, 8х демодуляторов LoRa SF5-SF12 и 8х демодуляторов LoRa SF5-SF10. Он способен обнаруживать непрерывную комбинацию пакетов с 8 различными коэффициентами расширения спектра и 10 каналами с неразрывной демодуляцией до 16 пакетов. Модуль хорошо подходит для приложений Интернета вещей (IoT), требующих плотности до 500 узлов на км? в среде с умеренными помехами.
Ключевые особенности
Технические характеристики
Комплектация
Внешний вид платы базовой станции LPWAN RAK5146
Дизайн компактного сетевого шлюза LPWAN RAK5146 предусматривает возможность интеграции модуля даже в такие системы, для которых собственные характеристики веса и размеров устройства крайне существенны. Благодаря стандарту PCI Express Mini Card, в котором произведён RAK5146, модуль может стать частью продуктов, допускающих использование карт толщиной 10.5 мм. Дополнительно устанавливаемый радиатор улучшает термические характеристики и способствует намного более стабильной работе RAK5146 в условиях плотного монтажа. Плата имеет два интерфейса U.FL для внешних антенн LoRa и GNSS, и типовой 52-контактный разъём mPCIe.
Блок-схема
RAK5146 укомплектован одним чипом SX1303 и двумя SX1250. Первый чип работает с радиочастотным сигналом и одновременно является ядром устройства. В остальных реализованы модем LoRa и функции обработки. Встроенная дополнительная схема преобразования сигналов обеспечивает совместимость со стандартом PCI Express Mini Card. Доступны два коннектора UFL для интеграции внешних антенн.
Источник питания
Карта RAK5146 должна получать питание через контакты 3.3Vaux от источника постоянного тока. Напряжение должно быть стабильным, поскольку потребляемый ток может значительно меняться во время работы, в зависимости от профиля энергопотребления микросхемы SX1303.
Интерфейс SPI (версия RAK5146 SPI)
В системном разъёме mPCIe платы RAK5146 разведены 4 линии последовательного периферийного интерфейса SPI (Host_SCK, Host_MISO, Host_MOSI, Host_CSN), который предоставляет доступ к конфигурационным регистрам SX1303 с помощью синхронного полно-дуплексного протокола. Доступен только режим "Подчинённого" (Slave).
Интерфейс USB (версия RAK5146 USB)
В системном разъёме mPCIe платы RAK5146 разведены 2 линии универсального последовательного интерфейса USB (USB_D+ и USB_D-), который предоставляет доступ к конфигурационным регистрам SX1303 через ЦПУ STM32L412KBU6. Доступен только режим "Подчинённого" (Slave).
Интерфейсы UART и I2C
Встроенная в RAK5146 микросхема ZOE-M8Q GPS обладает собственными последовательными интерфейсами UART и I2C, линии которых организуют прямой доступ к GPS-модулю, и также выведены на системный разъём mPCIe.
GPS_PPS
Карта RAK5146 содержит вход GPS_PPS для функции временн?й отметки принятых пакетов с поддержкой Fine Timestamp. Сигнал PPS не просто внутренне связан с чипом SX1303, но и выведен на разъём mPCIe, и может быть использован хост-стороной.
Сброс устройства, RESET
В картах RAK5146 SPI со входом RESET используется высокоуровневый сигнал сброса операций радиовещания, согласно определению из спецификации SX1303. В картах RAK5146 USB сброс устройства контролируется ЦПУ.
Индикация событий
Плата концентратора LPWAN RAK5146 укомплектована тремя светодиодами, информирующими о статусе питания (PWR) и активности сессий: приёма (Rx) или передачи (Tx).
Антенный РЧ интерфейс
В модуле предусмотрено два разъёма: первый РЧ-разъём для LoRa, и второй РЧ-разъём для GPS, представляющие собой стандартные коннекторы UFL (Hirose U.FL-R-SMT). Поддерживается эфирная передача (Tx) и приём (Rx), импедансная характеристика разъёмов 50 Ом.
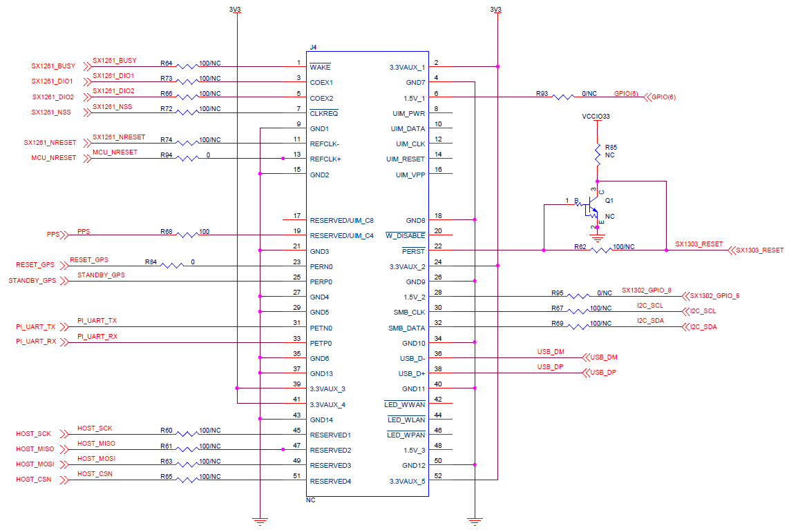
Функциональное назначение контактов mPCIe, распиновка RAK5146
| Номер вывода | Вывод Mini PCIe Rev. 2.0 | Вывод RAK8213 | Тип вывода, описание | Примечание |
| 1 | WAKE# | SX1261_BUSY | Цифровой выход. По умолчанию не подключен | Зарезервирован для будущих функций |
| 2 | 3.3Vaux | 3V3 | Вход питания. Постоянное напряжение 3.3В | |
| 3 | COEX1 | SX1261_DIO1 | Цифровой вход/выход. По умолчанию не подключен | Зарезервирован для будущих функций |
| 4 | GND | GND | Общий вывод, заземление | |
| 5 | COEX2 | SX1261_DIO1 | Цифровой вход/выход. По умолчанию не подключен | Зарезервирован для будущих функций |
| 6 | 1.5V | GPIO[6] | Цифровой вход/выход | Соединён с выводом GPIO[6] чипа SX1303 |
| 7 | CLKREQ# | SX1261_NSS | Цифровой вход. По умолчанию не подключен | Зарезервирован для будущих функций |
| 8 | USIM_PWR | NC | Не подключен | |
| 9 | GND | GND | Общий вывод, заземление | |
| 10 | USIM_DATA | NC | Не подключен | |
| 11 | REFCLK- | SX1261_NRESET | Цифровой вход. По умолчанию не подключен | Зарезервирован для будущих функций |
| 12 | USIM_CLK | NC | Не подключен | |
| 13 | REFCLK+ | MCU_NRESET | Цифровой вход. Сигнал сброса для ЦПУ в модуле RAK5146-USB | Сброс SX1303 сигналом низкого уровня |
| 14 | USIM_RESET | NC | Не подключен | |
| 15 | GND | GND | Общий вывод, заземление | |
| 16 | USIM_VPP | NC | Не подключен | |
| 17 | RESERVED | NC | Не подключен | |
| 18 | GND | GND | Общий вывод, заземление | |
| 19 | RESERVED | PPS | Цифровой выход. Временной импульс | Если не используется, остаётся открытым |
| 20 | W_DISABLE# | NC | Не подключен | |
| 21 | GND | GND | Общий вывод, заземление | |
| 22 | PERST# | SX1303_RESET | Цифровой вход. Сброс модуля RAK5146-SPI | Сброс SX1303 сигналом высокого уровня продолжительностью не менее 100нс |
| 23 | PERn0 | RESET_GPS | Цифровой вход. Сброс модуля ZOE-M8Q GPS | Сброс ZOE-M8Q GPS сигналом низкого уровня. Если не используется, остаётся открытым |
| 24 | 3.3Vaux | 3V3 | Вход питания. Постоянное напряжение 3.3В | |
| 25 | PERp0 | STANDBY_GPS | Цифровой вход. Вход внешнего прерывания модуля ZOE-M8Q GPS | Сигнал низкого уровня. Если не используется, остаётся открытым |
| 26 | GND | GND | Общий вывод, заземление | |
| 27 | GND | GND | Общий вывод, заземление | |
| 28 | 1.5V | GPIO(8) | Подключен к GPIO8 SX1303 | |
| 29 | GND | GND | Общий вывод, заземление | |
| 30 | SMB_CLK | I2C_SCL | Цифровой вход/выход. Хост SCL | Подключен к внутренней линии SCL модуля ZOE-M8Q GPS. Если не используется, остаётся открытым |
| 31 | PETn0 | PI_UART_TX | Цифровой вход. Хост UART_TX | Подключен к внутренней линии UART_TX модуля ZOE-M8Q GPS. Если не используется, остаётся открытым |
| 32 | SMB_DATA | I2C_SDA | Цифровой вход/выход. Хост SDA | Подключен к внутренней линии SDA модуля ZOE-M8Q GPS. Если не используется, остаётся открытым |
| 33 | PETp0 | PI_UART_RX | Цифровой выход. Хост UART_RX | Подключен к внутренней линии UART модуля ZOE-M8Q GPS. Если не используется, остаётся открытым |
| 34 | GND | GND | Общий вывод, заземление | |
| 35 | GND | GND | Общий вывод, заземление | |
| 36 | USB_D- | USB_DM | Цифровой вход/выход. Линия (-) дифференциальной пары USB | Требуемый дифференциальный импеданс 90 Ом |
| 37 | GND | GND | Общий вывод, заземление | |
| 38 | USB_D+ | USB_DP | Цифровой вход/выход. Линия (+) дифференциальной пары USB | Требуемый дифференциальный импеданс 90 Ом |
| 39 | 3.3Vaux | 3V3 | Вход питания. Постоянное напряжение 3.3В | |
| 40 | GND | GND | Общий вывод, заземление | |
| 41 | 3.3Vaux | 3V3 | Вход питания. Постоянное напряжение 3.3В | |
| 42 | LED_WWAN# | NC | Не подключен | |
| 43 | GND | GND | Общий вывод, заземление | |
| 44 | LED_WLAN# | NC | Не подключен | |
| 45 | RESERVED | HOST_SCK | Цифровой вход/выход. Хост SPI CLK | |
| 46 | LED_WPAN# | NC | Не подключен | |
| 47 | RESERVED | HOST_MISO | Цифровой вход/выход. Хост SPI MISO | |
| 48 | 1.5V | NC | Не подключен | |
| 49 | RESERVED | HOST_MOSI | Цифровой вход/выход. Хост SPI MOSI | |
| 50 | GND | GND | Общий вывод, заземление | |
| 51 | RESERVED | HOST_CSN | Цифровой вход/выход. Хост SPI CS | |
| 52 | 3.3Vaux | 3V3 | Вход питания. Постоянное напряжение 3.3В |
Физические размеры, мм
Электрическая принципиальная схема mPCIe-коннектора RAK5146 SPI/USB
Концентратор RAK5146 основан на эталонном дизайне Semtech для чипа SX1303, показана минимальная схема применения модуля. Модуль работает от источника постоянного напряжения с характеристиками не менее 3.3В / 1А. Интерфейс SPI должен присутствовать в разъёме PCIe и быть подключен к управляющему процессору.
Программное обеспечение
- RAK5146_USB_RaspbianOS-20210916 (архив .ZIP);
Техническая документация
Полезные ссылки
- Архив сертификации RAK5146;
- Улучшенная реализация отслеживания активов с функцией Fine Timestamp LoRa SX1303 (статья, портал разработчиков LoRa);
------------------
СЕЕД16066:13760
Доставка может производиться различными по Вашему выбору способами. Это и самовывоз, и курьерские службы по г. Москве, и транспортные компании по России. Также мы можем выслать этот товар Почтой России. Если размеры, вес товара RAK5146-225 WisLink Базовая станция LPWAN USB Non LBT GPS EU868 mPCIe или соображения удароустойчивости находятся в разрешённых Почтой России пределах.





