Цифровой вольтметр ICL7107 4-знаковый 0-2/20/200В. Набор для пайки сделай сам DIY.
Код товара: CTTL15779
Есть в наличии| 1390 c |
| 1390 c |
|
|
|
|
Цифровая измерительная аппаратура, предназначенная для осуществления оценки актуальных электрических параметров напряжения и тока источников электроэнергии или в различных схемах питания потребителей, достаточно давно и с большим успехом используется для решениях множества задач. Разнообразные измерительные приборы больших или маленьких размеров (простые однозадачные стрелочные и цифровые модули вольтметров и амперметров в произвольном исполнении) могут самостоятельно справляться с достижением поставленной перед ними целью, а также прекрасно сочетаются и интегрируются в многозадачные устройства (производственное оборудование, профессиональная сервисно-ремонтная техника, бытовые тестеры-мультмиметры, высокоточные лабораторные блоки питания, паяльные станции, и др). Вольтметр (зависит от его конструкции и характеристик) даёт возможность измерять уровень напряжения любой электрической нагрузки или потенциал источника переменного или постоянного тока, и всегда подключается параллельно изучаемому участку цепи.
Электронный конструктор для сборки компактного, встраиваемого вольтметра, даёт возможность собственноручно, с помощью паяльника, кусачек и отвёртки, и прочих сопутствующих инструментов, изготовить дееспособное устройство, полностью пригодное для дальнейшей эксплуатации. Конструктор начального уровня сложности состоит из множества тщательно подобранных радиодеталей неодинаковых размеров и номиналов, включая элементы с обязательной ориентацией полярности. В процессе поэтапной сборки, конструктор помогает получить теоретические знания об устройстве радиоэлектроники (изучение характеристик и возможностей элементной базы, чтение принципиальной схемы) и принципах её работы, а на практике приобрести новый или закрепить существующий опыт монтажа/пайки радиокомпонентов.
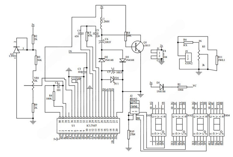
Вольтметр основан на микросхеме ICL7107CPLZ, содержащую внутри себя схему преобразования аналоговых значений в пропорциональное цифровое представление (АЦП преобразователь). Вдобавок в микросхему интегрирован драйвер управления экраном. Контур измерения напряжения вольтметра оснащён ручной двухуровневой калибровкой погрешности, реализованной многооборотными подстроечными резисторами серии 3296 с винтовым механизмом. Необходимый диапазон измерения напряжений 0-2В, 0-20В или 0-200В устанавливается один раз с помощью впайки соответствующего номинала резистора RX (R6) и запайки перемычки из пары контактов для выбранного варианта, с эквивалентной шелкографией на печатной плате. Переназначение диапазона после финальной сборки возможно только путём замены номинала RX с перепайкой нужной перемычки. Заданный диапазон влияет на положение децимальной точки (десятичного разделителя) на дисплее, при этом на разряд уменьшается или увеличивается минимальный шаг измеряемых значений.
Вольтметр функционирует от 5-вольтового напряжения постоянного тока, и потребляет не более 35мА. Значение измеряемого напряжения выводятся на 4-значный экран, состоящий из 7-сегментных светодиодных индикаторов ярко-красного свечения, имеющих высоту символов около 14мм. Цифры вольтметра располагаются под полупрозрачным стеклом красного оттенка, вставленным в чёрный пластиковый корпус. Вольтметр спроектирован в дизайне встраиваемого прибора, его корпус имеет зажимы для крепления в монтируемых отверстиях.
Технические характеристики
Комплектация конструктора*
*Состав набора может быть изменён производителем без дополнительного уведомления.
Электрическая принципиальная схема 4-знакового вольтметра ICL7107 DIY
Физические размеры, мм
Техническая документация
- Инструкция по сборке вольтметра ICL7107 (русс. PDF);
------------------
СЕЕД15779:1390
Доставка может производиться различными по Вашему выбору способами. Это и самовывоз, и курьерские службы по г. Москве, и транспортные компании по России. Также мы можем выслать этот товар Почтой России. Если размеры, вес товара Цифровой вольтметр ICL7107 4-знаковый 0-2/20/200В. Набор для пайки сделай сам DIY. или соображения удароустойчивости находятся в разрешённых Почтой России пределах.





