Электронный светящийся Волчок (Юла). Набор для пайки сделай сам
Код товара: CTTL15782
Есть в наличии| 220 c |
| 220 c |
|
|
|
|
Теперешнее взрослое поколение прекрасно помнит замечательную детскую механическую игрушку Заводная Юла (Волчок), бывшую обязательной чуть ли не в каждой семье с маленькими детьми. Заветными моментами возникновения случайных ярких разноцветных вспышек во время раскручивания юлы восхищались абсолютно все мальчишки и девчёнки, проводя за этим нехитрым занятием множество свободных часов. Современному же юному поколению технический прогресс уготовил несколько иные, но очень схожие по замыслу забаваные развлечения — разнообразные инерционные волчки и машинки, среди которых высокой популярностью пользуются ручные светящиеся спиннеры. Конструктор для самостоятельной сборки "Электронный светодиодный Волчок (Юла)" предлагает молодым начинающим радиолюбителям великолепный шанс не только подтянуть свои навыки пайки и монтажа, но и сделать собственными руками запоминающийся подарок для маленького братика или сестрёнки. Волчок отлично смотриться в полутёмной обстановке, создаёт причудливые визуальные узоры из вырисовывающихся пунктирных линий.
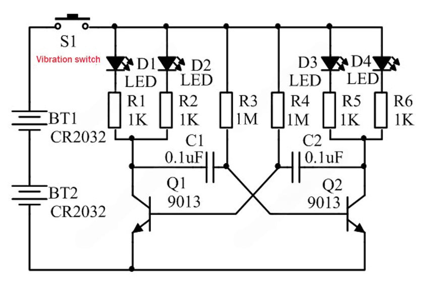
Конструктор "Светящийся волчок" функционирует от двух элементов питания CR2032. Электронная модель небольшой по размеры юлы, всего 5 х 3 см, построена на основе схемы простейшего мультивибратора, создающего прямоугольные ипульсы напряжения. Чтобы схема светодиодного волчка включилась, конструкцию следует поставить на ровную поверхность стола или на пол, затем сильно раскрутить. Центробежная сила вращения не только удерживает юлу в вертикальном положении, её достаточная величина воздействует на пружинно-вибрационный включатель S1, и замыкает расположенные врутри электрические контакты. В правом и левом плече мультивибратора расположены светодиоды, подключенные попарно и расставленные на плате в шашечном порядке D1, D3, D2, D4. Ими управляют два транзистора Q1 и Q2, бесконечно и поочерёдно переключающиеся между собой. На протяжении времени открытия каждого из транзисторов, связанные с ним светодиоды продолжают ярко светиться, оставляя "след" в темноте. За счёт быстрого попеременного включения светодиодов D1, D3 и D2, D4 появляется красивый эффект пунктирных световых линий.
Конструктор начального уровня сложности ориентирован на возраст от 10 лет, и непременно приглянётся всем радиолюбителям. В результате правильной сборки, электроприбор начинает работать с первого включения. Процесс монтажа деталей не отнимает много времени благодаря наличию бумажной инструкции и подробной шелкографической разметке радиоэлементов на печатной плате.
Технические характеристики
Комплектация набора*
*Состав набора может быть изменён производителем без дополнительного уведомления.
В собранном виде
Электрическая принципиальная схема
Физические размеры, мм
------------------
СЕЕД15782:220
Доставка может производиться различными по Вашему выбору способами. Это и самовывоз, и курьерские службы по г. Москве, и транспортные компании по России. Также мы можем выслать этот товар Почтой России. Если размеры, вес товара Электронный светящийся Волчок (Юла). Набор для пайки сделай сам или соображения удароустойчивости находятся в разрешённых Почтой России пределах.





