Мотор вакуумный Wonsmart WS9290-24-220-X200 бесщеточный с драйвером WS2408DY01V02
Код товара: CTTL16054
Есть в наличии| 10300 c |
| 10300 c |
|
|
|
|
Технические характеристики
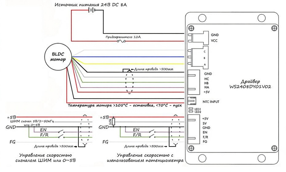
Функциональное назначение выводов. Схема подключения к драйверу
Мотор
- Красный провод - питание +5В;
- Фиолетовый провод - датчик Холла А обратной связи с драйвером;
- Зелёный провод - датчик Холла В обратной связи с драйвером;
- Серый провод - датчик Холла С обратной связи с драйвером;
- Чёрный провод - общий, заземление;
- Жёлтый провод - Фаза А бесщёточного 3-фазного двигателя;
- Синий провод - Фаза В бесщёточного 3-фазного двигателя;
- Белый провод - Фаза С бесщёточного 3-фазного двигателя;
Драйвер
- FG(PG) - выход обратной связи для внешнего контроллера. Генератор импульсов скорости вращения;
- FR - Управление функцией выбора направления вращения CW/CCW. Высокоуровневый сигнал (или без подключения) = CCW. Низкоуровневый сигнал (или подключен к GND) = CW;
- EN - Управление функцией Пуск/Стоп;
- Высокоуровневый сигнал (или без подключения) = Пуск. Низкоуровневый сигнал (или подключен к GND) = Стоп;
- GND - общий, заземление;
- VSR(SV) - Управление функцией скорость вращения. Входное напряжение 0~5В или ШИМ-импульс 2~50кГц/5В;
- 5V - Напряжение питания +5В для схемы драйвера;
Диаграмма производительности
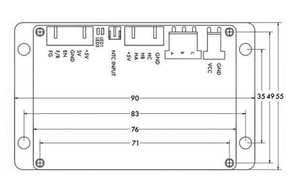
Физические размеры, мм
Насос
Драйвер
------------------
СЕЕД16054:10300
Вы можете купить Мотор вакуумный Wonsmart WS9290-24-220-X200 бесщеточный с драйвером WS2408DY01V02 как за наличный расчёт, так и по безналичному расчёту ( т.н. безналу, перечислению).
Для этого Вам надо либо оформить заказ на нашем сайте, указав в примечании реквизиты, либо прислать письмо
с точным указанием кода CTTL16054 на Мотор вакуумный Wonsmart WS9290-24-220-X200 бесщеточный с драйвером WS2408DY01V02, желаемого количества и реквизитов Вашей организации.
Счета по безналичному расчёту выписываются на основании вашего письменного запроса и от суммы 500 рублей.
Доставка может производиться различными по Вашему выбору способами. Это и самовывоз, и курьерские службы по г. Москве, и транспортные компании по России. Также мы можем выслать этот товар Почтой России. Если размеры, вес товара Мотор вакуумный Wonsmart WS9290-24-220-X200 бесщеточный с драйвером WS2408DY01V02 или соображения удароустойчивости находятся в разрешённых Почтой России пределах.
Доставка может производиться различными по Вашему выбору способами. Это и самовывоз, и курьерские службы по г. Москве, и транспортные компании по России. Также мы можем выслать этот товар Почтой России. Если размеры, вес товара Мотор вакуумный Wonsmart WS9290-24-220-X200 бесщеточный с драйвером WS2408DY01V02 или соображения удароустойчивости находятся в разрешённых Почтой России пределах.





