Образовательные наборы и радиоконструкторы ► Radio-KIT : Ваша лаборатория. Измерения, испытания, приборы
Измеритель содержания пыли в воздухе PM2.5 GP2Y1051AU0F
Код товара: CTTL10289
Есть в наличии| 760 c |
| 760 c |
|
|
|
|
GP2Y10 - оптический датчик содержания пыли размера PM2.5 и выше в воздухе.
Из-за увеличения загрязнения воздуха и связанных с этим проблем со здоровьем, измерение качества воздуха становится все более необходимым в больших городах. На рынке имеется множество датчиков, позволяющих измерять качество воздуха, и один из них - оптический датчик пыли GP2Y1010AU0F от Sharp. Этот датчик пыли имеет небольшие размеры и может обнаруживать частицы пыли и дыма в окружающей среде. Во время работы он потребляет очень мало энергии, что делает его идеальным для постоянно включенной системы мониторинга.
Характеристики:
| Содержание частиц РМ2.5, микрограмм/м3 | Оценка качества воздуха |
| 0-35 | Отлично |
| 35-75 | Незначительное загрязнение |
| 75-115 | Легкое загрязнение |
| 115-150 | Умеренное загрязнение |
| 150-250 | Сильное загрязнение |
| 250-500 | Критическое загрязнение |
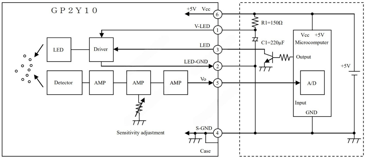
Схема подключения.
График зависимости выходного напряжения от количества пыли в воздухе.
Алгоритм работы:
Размеры сенсора и расположение выводов.
------------------
СЕЕД10289:760
Вы можете купить Измеритель содержания пыли в воздухе PM2.5 GP2Y1051AU0F как за наличный расчёт, так и по безналичному расчёту ( т.н. безналу, перечислению).
Для этого Вам надо либо оформить заказ на нашем сайте, указав в примечании реквизиты, либо прислать письмо
с точным указанием кода CTTL10289 на Измеритель содержания пыли в воздухе PM2.5 GP2Y1051AU0F, желаемого количества и реквизитов Вашей организации.
Счета по безналичному расчёту выписываются на основании вашего письменного запроса и от суммы 500 рублей.
Доставка может производиться различными по Вашему выбору способами. Это и самовывоз, и курьерские службы по г. Москве, и транспортные компании по России. Также мы можем выслать этот товар Почтой России. Если размеры, вес товара Измеритель содержания пыли в воздухе PM2.5 GP2Y1051AU0F или соображения удароустойчивости находятся в разрешённых Почтой России пределах.
Доставка может производиться различными по Вашему выбору способами. Это и самовывоз, и курьерские службы по г. Москве, и транспортные компании по России. Также мы можем выслать этот товар Почтой России. Если размеры, вес товара Измеритель содержания пыли в воздухе PM2.5 GP2Y1051AU0F или соображения удароустойчивости находятся в разрешённых Почтой России пределах.





