Насос воздушный PYP370B-XZB 3.7В 400мАч, 3 л/м, до -60кПа, 4мм выводы
Код товара: CTTL16045
Есть в наличии| 310 c |
| 310 c |
|
|
|
|
Технические характеристики
Многофункциональный воздушный насос PYP370B-XZB относится к разновидности диафрагменных объёмных насосов. Создающий невысокое давление механизм насоса PYP370B-XZB представляет конструкцию, сочетающую мембранную пластину с пластиковым многопоршневым механизмом, установленным на ось высокооборотистого двигателя. При вращении вала мотора, ось, наклонённая от центра под небольшим углом, заставляет поршни последовательно друг за другом втягиваться и возвращаться в исходное положение. Таким образом, в насосе одновременно образуются всасывающая и выталкивающая (нагнетающая) силы.
Маломощный насос PYP370B-XZB способен перекачивать исключительно взрывобезопасные газы, и не предназначен для использования с водой или другими подобными жидкостями. Воздухозаборный патрубок располагается ближе к краю мембранного механизма, выходной патрубок находится в центре. Допускается прокачка газа исключительно в одном направлении. Плюсовой контакт подключения питания 3.7В постоянного тока DC отмечен красной меткой. В нормальном режиме, потребление тока не превышает 400мА. Модель воздушной помпы PYP370B-XZB не имеет герметичного корпуса и не защищена от попадания жидкостей в мотор. Насос не требует дополнительного охлаждения кроме естественного (при t +25°C). Вакуумный насос PYP370B-XZB не подлежит установке в газопроводные системы, имеющие собственное внутреннее давление.
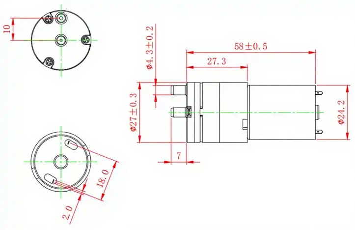
Физические размеры, мм
------------------
СЕЕД16045:310
Доставка может производиться различными по Вашему выбору способами. Это и самовывоз, и курьерские службы по г. Москве, и транспортные компании по России. Также мы можем выслать этот товар Почтой России. Если размеры, вес товара Насос воздушный PYP370B-XZB 3.7В 400мАч, 3 л/м, до -60кПа, 4мм выводы или соображения удароустойчивости находятся в разрешённых Почтой России пределах.





