Модуль разработки STM32F103CBT6 128K flash ОРИГИНАЛЬНЫЙ Blue Pill, ядро Cortex-M3
Код товара: CTTL16506
Есть в наличии| 470 c |
| 470 c |
|
|
|
|
ARM STM32F103CBT6 STM32, которую часто называют ”Blue Pill+”, что в переводе – синяя таблетка или пилюля, — это мини-отладочная плата на мощном чипе STM32F103CBT6 с увеличенной до 128 кБайт flash-памятью на базе процессора Cortex-M3. Она необходима при создании проектов с микроконтроллерами. Может послужить заменой ARDUINO. Плата имеет разъемы и интерфейсы для подключения к компьютеру и другим устройствам (датчикам, дисплеям, модулям, драйверам, реле и т.д.). Есть возможность перепрограммирования через JTAG, UART или USART интерфейсы. Питание платы может осуществляться от USB порта компьютера или от внешнего источника питания.
Технические характеристики:
Микроконтроллер: STM32F103CBT6
Ядро: ARM Cotrex M3
Число разрядов: 32 бита
Максимальная частота: 72 мГц
Объем памяти программ (FLASH): 128 кБайт
Объем памяти данных (RAM): 20 кБайт
Выводы: 37
Таймеры: 4шт, а именно:
Таймеры общего назначения: 3 шт
(Системный таймер: 1шт и сторожевые таймеры:2шт)
Расширенный таймер с ШИМ управления двигателем:1шт
Интерфейс: UART, SPI, I2C, CAN,USB, SWD
Контроллеры прямого доступа к памяти: 7
АЦП: 2 АЦП, 10 каналов, время преобразования 1 мкс
Часы реального времени: есть
Аппаратный модуль расчета CRC: есть
Режим энергосбережения: есть
Напряжение питания микроконтроллера: 2 - 3,6 В
Напряжение питания платы: 5 В
Ток потребления: до 50 мА
Размеры платы: 10 х 23 x 54 мм
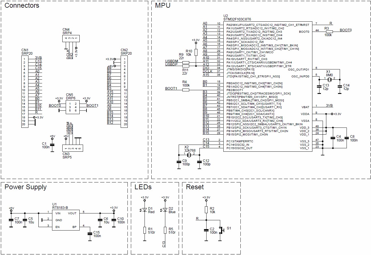
Принципиальная схема платы:
|
|
Схема выводов:
Проект модуля с исходниками и примерами stm32-base
------------------
СЕЕД16506:470
Вы можете купить Модуль разработки STM32F103CBT6 128K flash ОРИГИНАЛЬНЫЙ Blue Pill, ядро Cortex-M3 как за наличный расчёт, так и по безналичному расчёту ( т.н. безналу, перечислению).
Для этого Вам надо либо оформить заказ на нашем сайте, указав в примечании реквизиты, либо прислать письмо
с точным указанием кода CTTL16506 на Модуль разработки STM32F103CBT6 128K flash ОРИГИНАЛЬНЫЙ Blue Pill, ядро Cortex-M3, желаемого количества и реквизитов Вашей организации.
Счета по безналичному расчёту выписываются на основании вашего письменного запроса и от суммы 500 рублей.
Доставка может производиться различными по Вашему выбору способами. Это и самовывоз, и курьерские службы по г. Москве, и транспортные компании по России. Также мы можем выслать этот товар Почтой России. Если размеры, вес товара Модуль разработки STM32F103CBT6 128K flash ОРИГИНАЛЬНЫЙ Blue Pill, ядро Cortex-M3 или соображения удароустойчивости находятся в разрешённых Почтой России пределах.
Доставка может производиться различными по Вашему выбору способами. Это и самовывоз, и курьерские службы по г. Москве, и транспортные компании по России. Также мы можем выслать этот товар Почтой России. Если размеры, вес товара Модуль разработки STM32F103CBT6 128K flash ОРИГИНАЛЬНЫЙ Blue Pill, ядро Cortex-M3 или соображения удароустойчивости находятся в разрешённых Почтой России пределах.





