Индуктивный цилиндрический датчик приближения TL-W3MB1 PNP NO
Код товара: CTTL16784
Есть в наличии| 370 c |
| 370 c |
|
|
|
|
Индуктивный датчик приближения TL-W3MB1 PNP NO — датчик приближения бесконтактного типа, предназначенный для контроля положения объектов из металлов, а именно: железо, сталь, медь, бронза, алюминий, свинец. К другим материалам не восприимчив. Метод обнаружения металлических объектов основан на чувствительности встроенной в корпус катушки индуктивности к изменениям магнитного поля в рабочей зоне датчика. Индуктивные датчики приближения наиболее часто используются в составе промышленного оборудования, на конвейерных линиях, в станках ЧПУ и 3Д-принтерах. Так же нередко применяется в сценариях управления различной робототехникой и автоматикой. Компактная конструкция индуктивных датчиков приближения TL-W3 отличается плоским герметичным пластиковым корпусом вытянутой формы под скобяное крепление.
Технические характеристики
Подключение 3-проводных индуктивных датчиков с минусовой/плюсовой полярностью и различными видами коммутации выхода
Индуктивные датчики приближения с 3-проводным интерфейсом имеют различную внутреннюю транзисторную структуру и подключаются по одной из четырёх представленных схем. Выбор правильной схемы зависит от полярности напряжения (PNP или NPN) на выходе датчика. А также от исходного состояния выхода с нормально открытым контактом (NO) или нормально закрытым контактом (NC). Характеристика "нормально открытый" соответствует датчику, выход которого замыкает один из полюсов напряжения питания с выходом-нагрузкой в момент срабатывания и размыкает эту же цепь в любом другом случае при отсутствующих условиях срабатывания. Принцип работы "нормально закрытого" датчика полностью противоположен - осуществляется размыкание цепи нагрузки при срабатывании и её замыкание в ином состоянии.
Физические размеры, мм
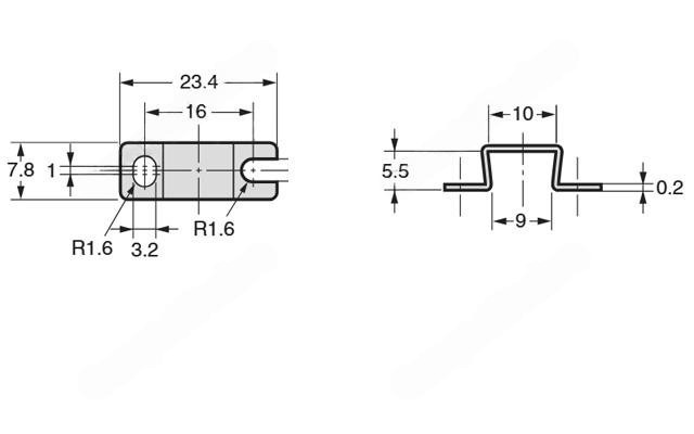
Монтажная скоба (крепление датчика TL-W3)
Примечание. Глубина монтажного отверстия: 17±0.20мм. Материал скобы: нержавеющая сталь (SUS304).
Обратите внимание! Монтажная скоба приобретается отдельно.
------------------
СЕЕД16784:370
Доставка может производиться различными по Вашему выбору способами. Это и самовывоз, и курьерские службы по г. Москве, и транспортные компании по России. Также мы можем выслать этот товар Почтой России. Если размеры, вес товара Индуктивный цилиндрический датчик приближения TL-W3MB1 PNP NO или соображения удароустойчивости находятся в разрешённых Почтой России пределах.





