Raspberry Pi CM5 8GB RAM, 32GB eMMC, 2.4/5.0GHz Wi-Fi & Bluetooth 5.0
Код товара: CTTL17110
Есть в наличии| 41720 c |
| 41720 c |
|
|
|
|
Вычислительный модуль Raspberry Pi CM5 8GB RAM, 32GB eMMC, 2450GHz Wi-Fi, Bluetooth 5.0
Спецификация
Raspberry Pi Compute Module 5 представляет пятое поколение полноценных ультракомпактных модульных компьютеров, предназначенных для разработки и производства встраиваемых приложений. Compute Module 5 обладает вычислительной мощностью, покрывающей множество задач управления и автоматизации в сферах промышленности и коммерции. Вычислительный модуль CM5 полностью аналогичен по производительности Raspberry Pi 5 и оснащён самыми новейшими компонентами, включая обновлённый высокопроизводительный процессор Broadcom BCM2712 с улучшенным графическим ядром VideoCore VII, более быструю память LPDDR4-4266 и два канала USB 3.0 с высокоскоростной передачей информации до 5Гбит/сек. RPI CM5 удобен полным отсутствием периферийных портов и отличается от классической модели значительно меньшими размерами и весом платы. Raspberry Pi CM5 комплектуется двумя универсальными 100-контактными коннекторами, упрощающими интеграцию в оборудование любого форм-фактора и обеспечивающими прямой доступ ко всем имеющимся цифровым интерфейсам и линиям питания модуля.
Модель CM5108032 одноплатного компьютера Raspberry Pi Compute Module 5 располагает встроенной памятью 8ГБ ОЗУ и 32ГБ ПЗУ eMMC 5.1, использующуюся в роли хранилища данных и загрузки ОС. Поддерживается подключение до двух камер или дисплеев с интерфейсом MIPI DSI/CSI. Модуль RPi CM5 способен декодировать и выводить двухканальное видео высокой чёткости в разрешении 4K через интерфейс HDMI 2.0. Предусматривается возможность подключения как к проводным сетям Ethetnet 1GB, так и к беспроводным сетям Wi-Fi 5 / Bluetooth 5.0 BLE. Однополосная шина PCIe 2.0 позволяет взаимодействовать с устройствами SSD, NVME, LTE-модемами, картами расширения и другими совместимыми продуктами. Дизайн CM5 повторяет ранее вышедший модуль CM4. Молуль RPi Compute Module 5 имеет частичную обратную совместимость с CM4 из-за введённых изменений в распиновке контактов коммуникационных разъёмов (см. спецификацию CM5 Приложение C).
Расположение компонентов модуля CM5 Raspberry Pi
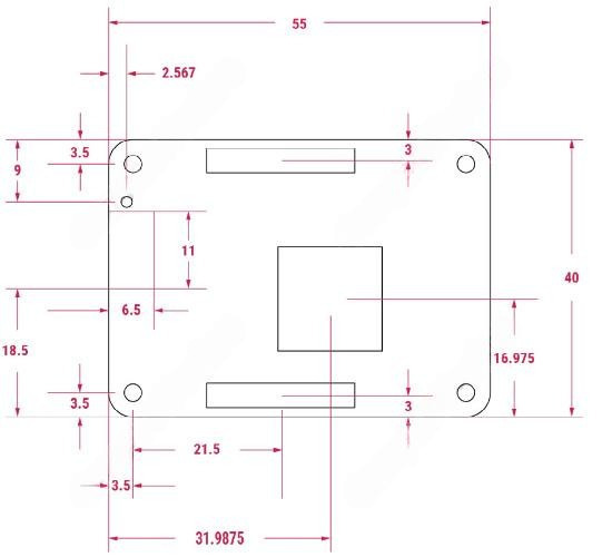
Физические размеры, мм
Сопроводительная документация
- Декларация соответствия Raspberry Pi CM5;
- Краткий справочник по модельному ряду Compute Module 5 (англ., PDF);
- Спецификация одноплатного ПК RPi CM5 (англ., PDF);
- Руководство пользователя RPi CM5 (web-ресурс);
------------------
СЕЕД17110:41720
Доставка может производиться различными по Вашему выбору способами. Это и самовывоз, и курьерские службы по г. Москве, и транспортные компании по России. Также мы можем выслать этот товар Почтой России. Если размеры, вес товара Raspberry Pi CM5 8GB RAM, 32GB eMMC, 2.4/5.0GHz Wi-Fi & Bluetooth 5.0 или соображения удароустойчивости находятся в разрешённых Почтой России пределах.





